Запчасти Hyundai R80-7 PAGE 9050 SUCTION & EXHAUST MAINFOLD ДВИГАТЕЛЬ БАЗА

Схема запчастей Hyundai R80-7 - PAGE 9050 SUCTION & EXHAUST MAINFOLD ДВИГАТЕЛЬ БАЗА
FIT
1:1
100%

Артикул

Название

Примечание

Количество

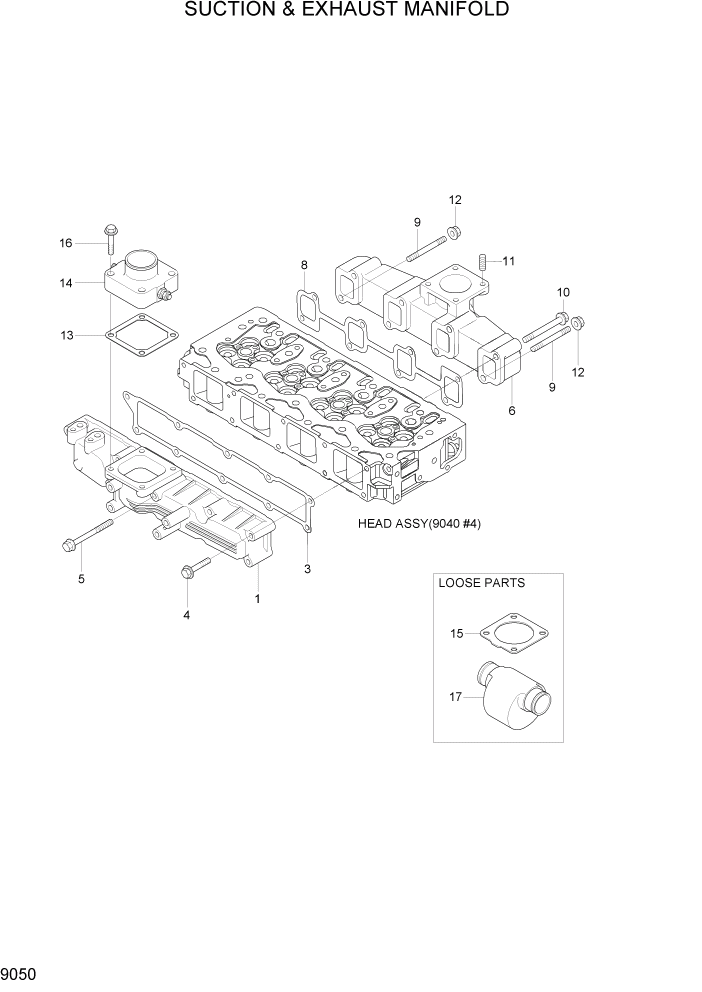
1

XJAU-00099

MANIFOLD-AIR INTAKE

1шт.

3

XJAU-00100

PACKING

1шт.

4

XJAU-00101

BOLT-PLATED

9шт.

5

XJAU-00486

BOLT-PLATED

1шт.

6

XJAU-00349

MANIFOLD-EXHAUST

1шт.

8

XJAU-00108

GASKET

1шт.

9

XJAU-00109

BOLT-STUD

2шт.

10

XJAU-00110

BOLT

6шт.

11

XJAU-00111

BOLT

4шт.

12

XJAU-00083

NUT

2шт.

13

XJAU-00103

GASKET

1шт.

14

XJAU-00487

HEATER-AIR

1шт.

15

XJAU-00113

GASKET-SILENCER

1шт.

16

XJAU-00105

BOLT-PLATED

4шт.

17

XJAU-00106

SILENCER-SUCTION

1шт.

Выбрано товаров: 0