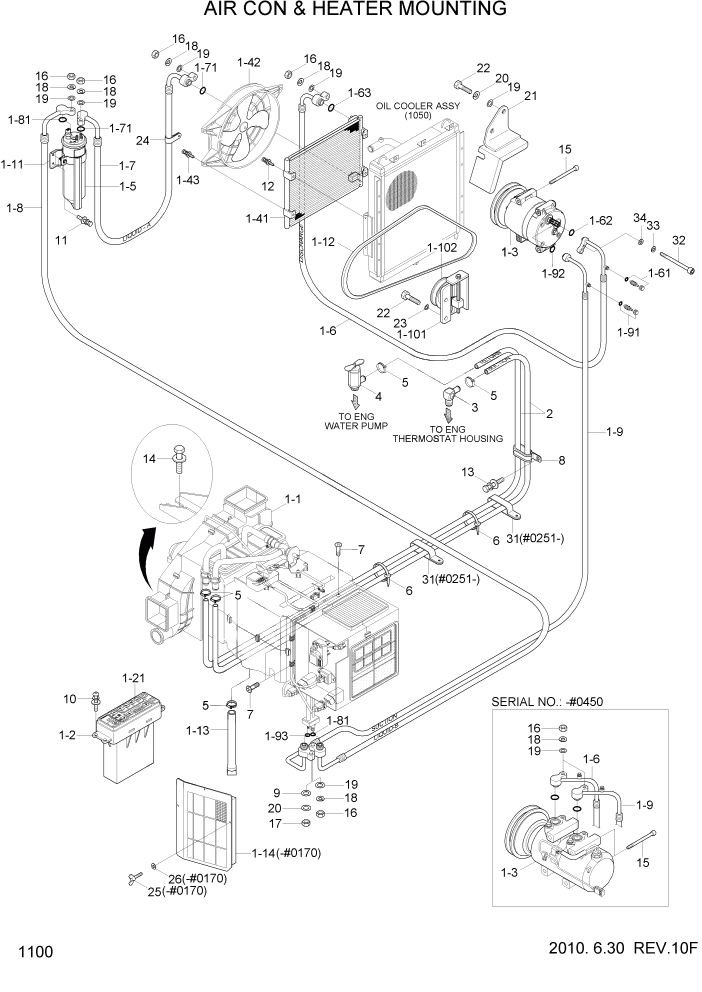
Запчасти Hyundai R80-7 PAGE 1100 AIRCON & HEATER MOUNTING СИСТЕМА ДВИГАТЕЛЯ

Схема запчастей Hyundai R80-7 - PAGE 1100 AIRCON & HEATER MOUNTING СИСТЕМА ДВИГАТЕЛЯ
FIT
1:1
100%

Артикул

Название

Примечание

Количество

1

11N1-90010

AIR CON & HEATER ASSY

1шт.

1-1

11N6-90020

AIRCON & HEATER UNIT

#0006

1шт.

1-1

11N6-90021

AIRCON & HEATER UNIT

#0007

1шт.

1-2

11N6-90031

CONTROL ASSY-SEMI

1шт.

1-21

11N6-90850

DECAL-A/C & HEATER

1шт.

1-3

11N8-92040

COMPRESSOR ASSY

#0450

1шт.

1-3

11Q6-90040

COMPRESSOR ASSY

#0451

1шт.

1-4

11LC-90110

CONDENSER ASSY

1шт.

1-41

A2100589000

CONDENSER

1шт.

1-42

A2W00594

FAN & MOTOR ASSY

1шт.

1-42-1

A411350201B1

FAN ASSY

NOT SHOWN

1шт.

1-42-2

A2W00595

MOTOR ASSY

NOT SHOWN

1шт.

1-42-3

A285051700A0

SHROUD

NOT SHOWN

1шт.

1-43

A8900105073

BOLT-W/WASHER

4шт.

1-5

11N6-90060

DRIER-RECEIVER

1шт.

1-6

11N1-90190

HOSE-DISCHARGE

#0450

1шт.

1-6

11N1-90191

HOSE-DISCHARGE

#0451

1шт.

1-61

A304000301-4

CHARGE VALVE ASSY

1шт.

1-62

A305000206-2

O-RING

1шт.

1-63

A305000205-2

O-RING

1шт.

1-7

11N1-90210

HOSE(A)-LIQUID

1шт.

1-71

A305000209-2

O-RING

2шт.

1-8

11N1-90140

HOSE-LIQUID(B)

1шт.

1-81

A305000209-2

O-RING

2шт.

1-9

11N1-90150

HOSE-SUCTION

#0450

1шт.

1-9

11N1-90151

HOSE-SUCTION

#0451

1шт.

1-91

A304000401-4

CHARGE VALVE ASSY

1шт.

1-92

A310069299-2

O-RING

1шт.

1-93

A305000203-2

O-RING

1шт.

1-1

11N1-90180

PULLEY-TENSION

1шт.

1-101

11N1-90180

PULLEY-TENSION

1шт.

1-102

A4700-511-01-2

PULLEY-IDLE

1шт.

1-11

11N6-90120

BRACKET-R/DRIER

1шт.

1-12

11N1-90160

V-BELT

#0450

1шт.

1-12

11N4-92110

V-BELT

#0451

1шт.

1-13

11EK-92090

HOSE-DRAIN

1шт.

1-14

11N6-90340

FILTER-REC

#0170

1шт.

2

11E6-92080

HOSE

2шт.

3

11N1-90201

ELBOW

1шт.

4

14L1-01370

VALVE-HEATER

1шт.

5

S520-020000

CLAMP-HOSE

5шт.

6

S551-035146

TIE-WIRE

2шт.

7

S152-040122

SCREW-TAPPING

4шт.

8

S543-400002

CLAMP-TUBE

1шт.

9

S403-082002

WASHER-PLAIN

1шт.

10

S131-051546

SCREW-W/WASHER

4шт.

11

S035-061522

BOLT-W/WASHER

2шт.

12

S035-082022

BOLT-W/WASHER

4шт.

13

S037-102022

BOLT-W/WASHER

3шт.

14

S037-123022

BOLT-W/WASHER

4шт.

15

S105-080956

BOLT-SOCKET

#0450

4шт.

15

S109-080856

BOLT-SOCKET

#0451

4шт.

16

S203-061002

NUT-HEX

3шт.

17

S203-081002

NUT-HEX

1шт.

18

S411-060002

WASHER-SPRING

3шт.

19

S403-062002

WASHER-PLAIN

6шт.

20

S411-080002

WASHER-SPRING

3шт.

21

11M8-90230

COVER

1шт.

22

S017-080502

BOLT-HEX

4шт.

23

S441-080002

WASHER-HARDENED

2шт.

24

31L7-10200

CLAMP-TUBE

1шт.

25

S091-060156

BOLT-WING

#0170

3шт.

26

S403-061006

WASHER-PLAIN

#0170

3шт.

31

31L6-02460

CLAMP-TUBE

#0251

2шт.

32

S018-100356

BOLT-HEX

#0451

1шт.

33

S411-100006

WASHER-SPRING

#0451

1шт.

34

S403-10200B

WASHER-PLAIN

#0451

1шт.

Выбрано товаров: 0