Запчасти Hyundai R80-7 PAGE 2020 LH ELECTRIC ЭЛЕКТРИЧЕСКАЯ СИСТЕМА

Схема запчастей Hyundai R80-7 - PAGE 2020 LH ELECTRIC ЭЛЕКТРИЧЕСКАЯ СИСТЕМА
FIT
1:1
100%

Артикул

Название

Примечание

Количество

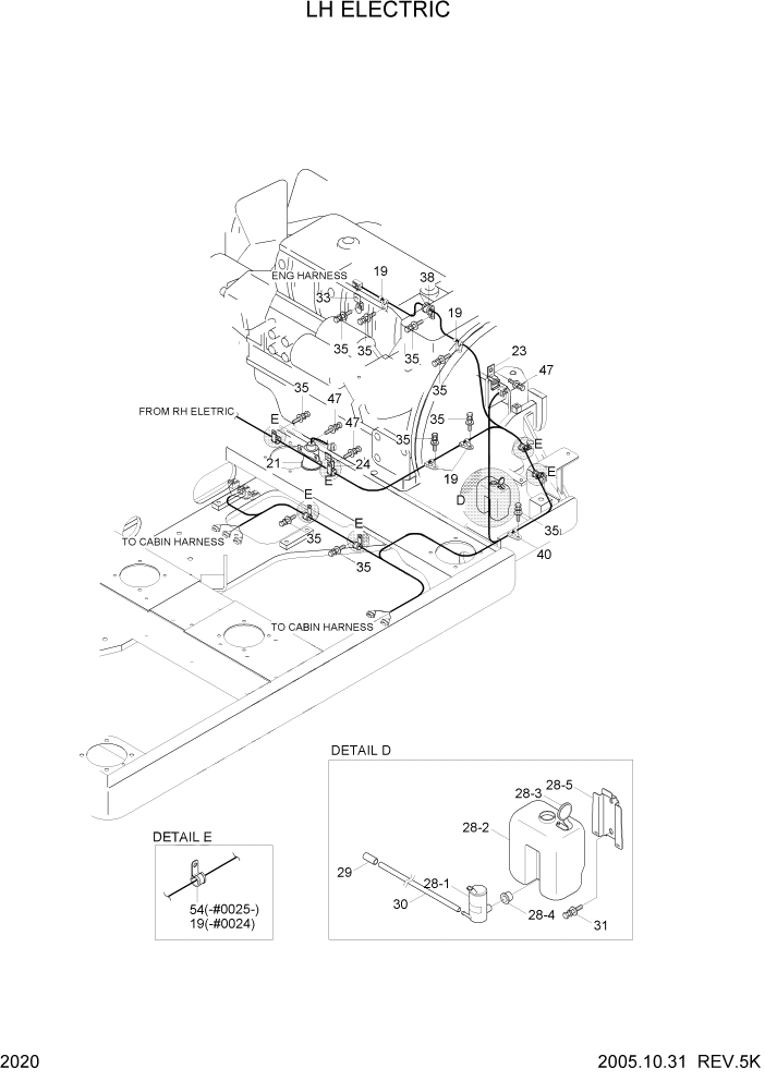
19

21E9-00170

CLIP-HARNESS

#0024

17шт.

19

21E9-00170

CLIP-HARNESS

#0025

9шт.

21

21N6-20321

BUZZER-TRAVEL ALARM

#0020

1шт.

21

21N6-20322

BUZZER-TRAVEL ALARM

#0021

1шт.

23

25D1-10640

CLIP ASSY

1шт.

24

25D1-10650

CLIP ASSY

3шт.

28

21EG-30630

WASHER TANK ASSY

1шт.

28-1

21EG-10130

PUMP-MOTOR

1шт.

28-2

21EG-10140

TANK

1шт.

28-3

24L3-30660

CAP

1шт.

28-4

24L3-30670

RUBBER-BUSHING

1шт.

28-5

24L3-30710

PLATE

1шт.

29

21EM-30570

CONNECTOR-TUBE

1шт.

30

21EM-30581

HOSE-RUBBER

1шт.

31

S035-061522

BOLT-W/WASHER

5шт.

33

21N4-01130

PLATE-CLIP

2шт.

35

S037-102022

BOLT-W/WASHER

13шт.

38

S543-240002

CLAMP-TUBE

1шт.

40

S593-000902

CLIP-HARNESS

2шт.

47

S037-101552

BOLT-W/WASHER

3шт.

54

S543-260002

CLAMP-TUBE

#0025

8шт.

Выбрано товаров: 21