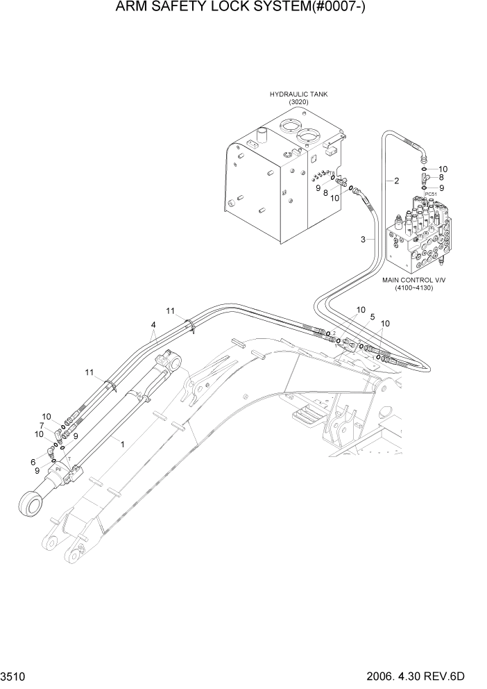
Запчасти Hyundai R80-7 PAGE 3510 ARM SAFETY LOCK SYSTEM(#0007-) ГИДРАВЛИЧЕСКАЯ СИСТЕМА

Схема запчастей Hyundai R80-7 - PAGE 3510 ARM SAFETY LOCK SYSTEM(#0007-) ГИДРАВЛИЧЕСКАЯ СИСТЕМА
FIT
1:1
100%

Артикул

Название

Примечание

Количество

*

@

ARM SAFETY LOCK SYSTEM

NOT #0007

1шт.

1

31N1-51250

ARM CYLINDER ASSY VLV

1шт.

2

P930-042048

HOSE ASSY-ORFS 0X90

1шт.

3

P920-042048

HOSE ASSY-ORFS 0X45

1шт.

4

P910-042066

HOSE ASSY-ORFS 0X0

2шт.

5

31M8-90131

TERMINAL ASSY

1шт.

6

X520-110001

ELBOW-90,ORFS

1шт.

7

31N6-25110

ELBOW-90,ORFS,LONG

1шт.

8

X820-045151

TEE-R/TYPE,ORFS

1шт.

9

S631-011004

O-RING

4шт.

10

S621-011001

O-RING

8шт.

11

S552-020102

CLAMP-BAND

10шт.

Выбрано товаров: 12