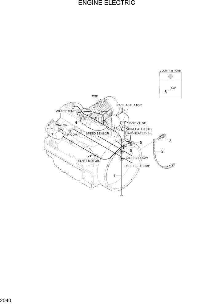
Запчасти Hyundai R80-7A PAGE 2040 ENGINE ELECTRIC ЭЛЕКТРИЧЕСКАЯ СИСТЕМА

Схема запчастей Hyundai R80-7A - PAGE 2040 ENGINE ELECTRIC ЭЛЕКТРИЧЕСКАЯ СИСТЕМА
FIT
1:1
100%

Артикул

Название

Примечание

Количество

1

21N1-40021

HARNESS-ENGINE

1шт.

2

21M8-01210

STRAP-EARTH

1шт.

3

S037-102026

BOLT W/WASHER-HEX

2шт.

4

11FG-20110

SENSOR-AIR CLEANER

1шт.

5

31L7-10190

CLAMP-TUBE,INS SINGLE

2шт.

6

S552-035146

CLAMP-TIE

8шт.

7

S205-083006

NUT-HEX

1шт.

Выбрано товаров: 7