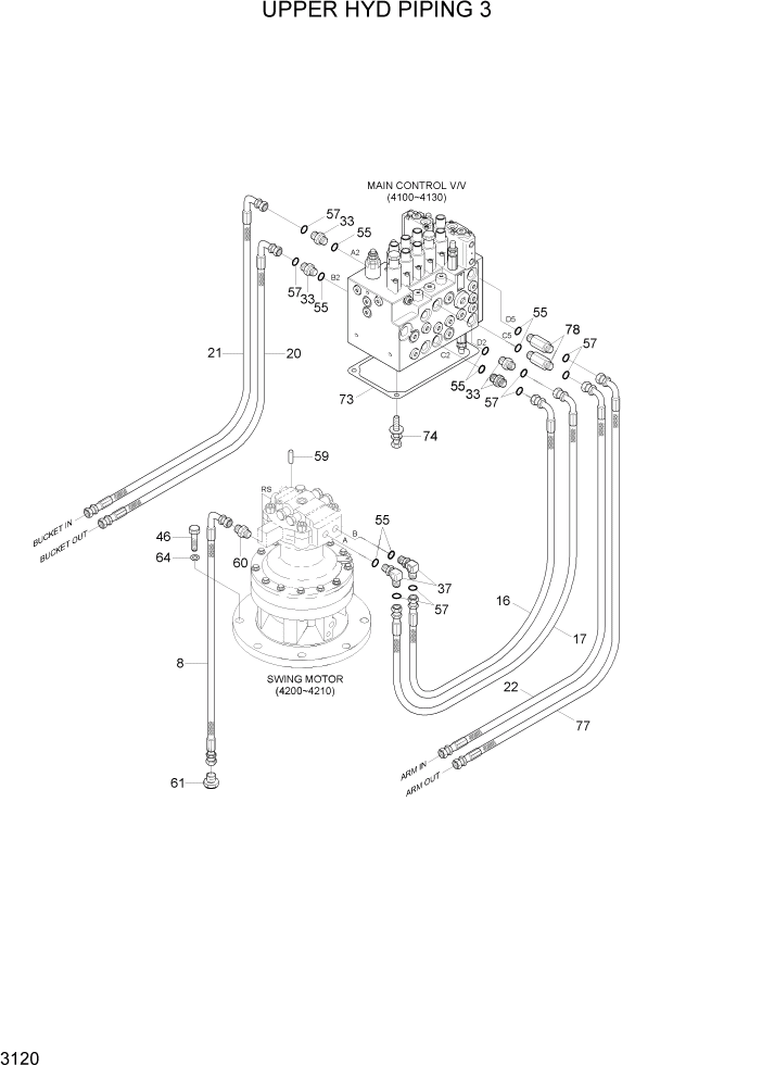
Запчасти Hyundai R80-7A PAGE 3120 UPPER HYD PIPING 3 ГИДРАВЛИЧЕСКАЯ СИСТЕМА

Схема запчастей Hyundai R80-7A - PAGE 3120 UPPER HYD PIPING 3 ГИДРАВЛИЧЕСКАЯ СИСТЕМА
FIT
1:1
100%

Артикул

Название

Примечание

Количество

8

P620-042008

HOSE ASSY-THD 0X90

1шт.

16

31N1-10350

HOSE ASSY

1шт.

17

31N1-10360

HOSE ASSY

1шт.

20

31N1-10380

HOSE ASSY

1шт.

21

31N1-10390

HOSE ASSY

1шт.

22

31N1-10400

HOSE ASSY

1шт.

33

X500-110003

CONNECTOR-ORFS

4шт.

37

31N1-10260

ELBOW 90-ORFS

2шт.

46

S017-16055D

BOLT-HEX

7шт.

55

S631-018004

O-RING

8шт.

57

S621-014001

O-RING

8шт.

59

31M5-51930

PIN-DOWEL

1шт.

60

P010-430013

CONNECTOR

1шт.

61

31EM-22080

PLUG-PF

1шт.

64

S441-160006

WASHER-HARDENED

7шт.

73

31N1-10480

PAD

2шт.

74

S037-103526

BOLT-W/WASHWR

7шт.

77

31N1-10500

HOSE ASSY

1шт.

78

X511-108533

CONNECTOR-LONG,ORFS

2шт.

Выбрано товаров: 19