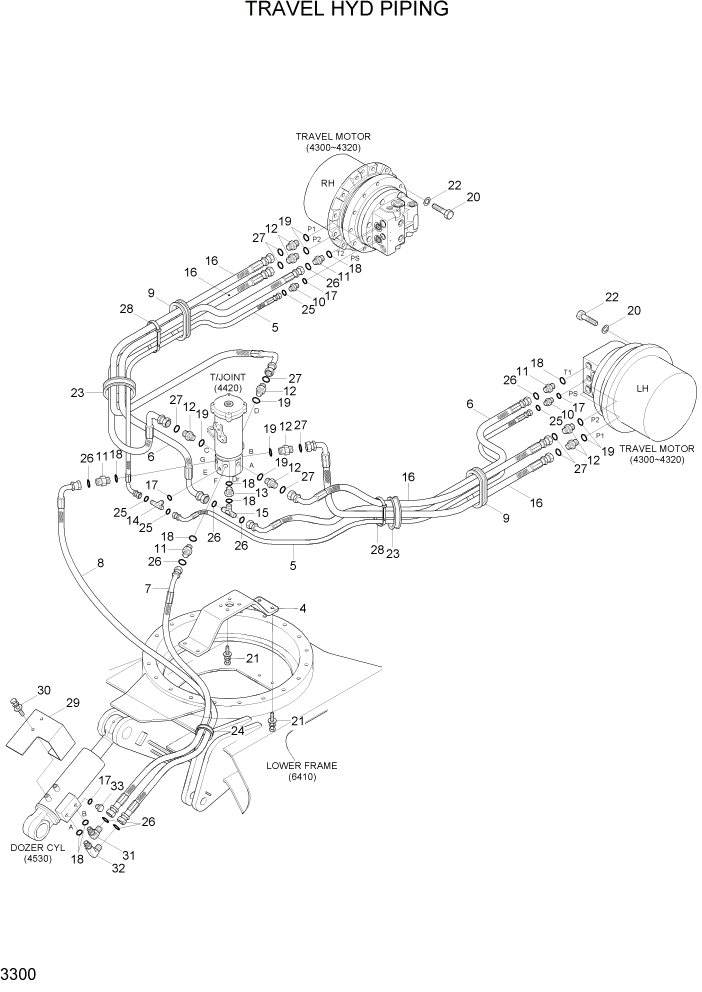
Запчасти Hyundai R80-7A PAGE 3300 TRAVEL HYD PIPING ГИДРАВЛИЧЕСКАЯ СИСТЕМА

Схема запчастей Hyundai R80-7A - PAGE 3300 TRAVEL HYD PIPING ГИДРАВЛИЧЕСКАЯ СИСТЕМА
FIT
1:1
100%

Артикул

Название

Примечание

Количество

4

31N1-40110

BRACKET-T/JOINT

1шт.

5

X410-042029

HOSE ASSY-ORFS 0X45

2шт.

6

X410-062026

HOSE ASSY-ORFS 0X45

2шт.

7

P933-066030

HOSE ASSY-ORFS 0X90

1шт.

8

P933-066034

HOSE ASSY-ORFS 0X90

1шт.

9

S760-091206

GROMMET

2шт.

10

X500-110001

CONNECTOR-ORFS

2шт.

11

X500-110002

CONNECTOR-ORFS

4шт.

12

X500-110003

CONNECTOR-ORFS

8шт.

13

31EK-30130

CONNECTOR-LONG

1шт.

14

X810-045151

TEE-B/TYPE,ORFS

1шт.

15

X810-065252

TEE-B/TYPE,ORFS

1шт.

16

P930-086027

HOSE ASSY-ORFS 0X90

4шт.

17

S631-011004

O-RING

5шт.

18

S631-014004

O-RING

8шт.

19

S631-018004

O-RING

8шт.

20

S017-16045D

BOLT-HEX

24шт.

21

S037-123526

BOLT-W/WASHER

8шт.

22

S441-160006

WASHER-HARDENED

24шт.

23

S760-081800

GROMMET

2шт.

24

S760-080806

GROMMET

1шт.

25

S621-011001

O-RING

4шт.

26

S621-012001

O-RING

6шт.

27

S621-014001

O-RING

8шт.

28

S551-050203

CLAMP-BAND

4шт.

29

31N1-40121

COVER-CYLINDER

1шт.

30

S037-122526

BOLT-W/WASHER

2шт.

31

X520-110002

ELBOW-90,ORFS

1шт.

32

31N1-40130

ELBOW 90-ORFS

1шт.

33

P220-110102

PLUG

2шт.

Выбрано товаров: 0