Запчасти Hyundai R110-7 PAGE 1030 AIR INTAKE SYSTEM СИСТЕМА ДВИГАТЕЛЯ

Схема запчастей Hyundai R110-7 - PAGE 1030 AIR INTAKE SYSTEM СИСТЕМА ДВИГАТЕЛЯ
FIT
1:1
100%

Артикул

Название

Примечание

Количество

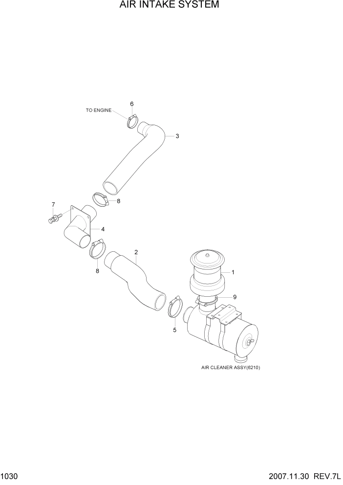
1

11N6-23060

PRECLEANER

#0037

1шт.

1

11N6-23061

PRECLEANER

#0038

1шт.

2

11N3-20021

HOSE-AIR CLEANER

1шт.

3

11N3-20041

HOSE

1шт.

4

11N3-20030

PIPE WA-A/C HOSE

1шт.

5

11E6-21240

CLAMP-HOSE

#0192

1шт.

5

11LB-40310

CLAMP-HOSE

#0193

1шт.

6

11N6-20230

CLAMP-T-BOLT

#0457

1шт.

6

11N6-20231

CLAMP-T-BOLT

#0458

1шт.

7

S035-082522

BOLT-W/WASHER

4шт.

8

11N6-20201

CLAMP-BAND,T-BOLT

#0056

2шт.

8

11N6-20350

CLAMP-T/BOLT

#0057 - #0192

2шт.

8

11LB-40280

CLAMP-HOSE

#0193

2шт.

9

11LB-40180

CLAMP-HOSE

#0337

1шт.

Выбрано товаров: 0