Запчасти Hyundai R110-7 PAGE 9030 ROCKER COVER & BREATHER ДВИГАТЕЛЬ БАЗА

Схема запчастей Hyundai R110-7 - PAGE 9030 ROCKER COVER & BREATHER ДВИГАТЕЛЬ БАЗА
FIT
1:1
100%

Артикул

Название

Примечание

Количество

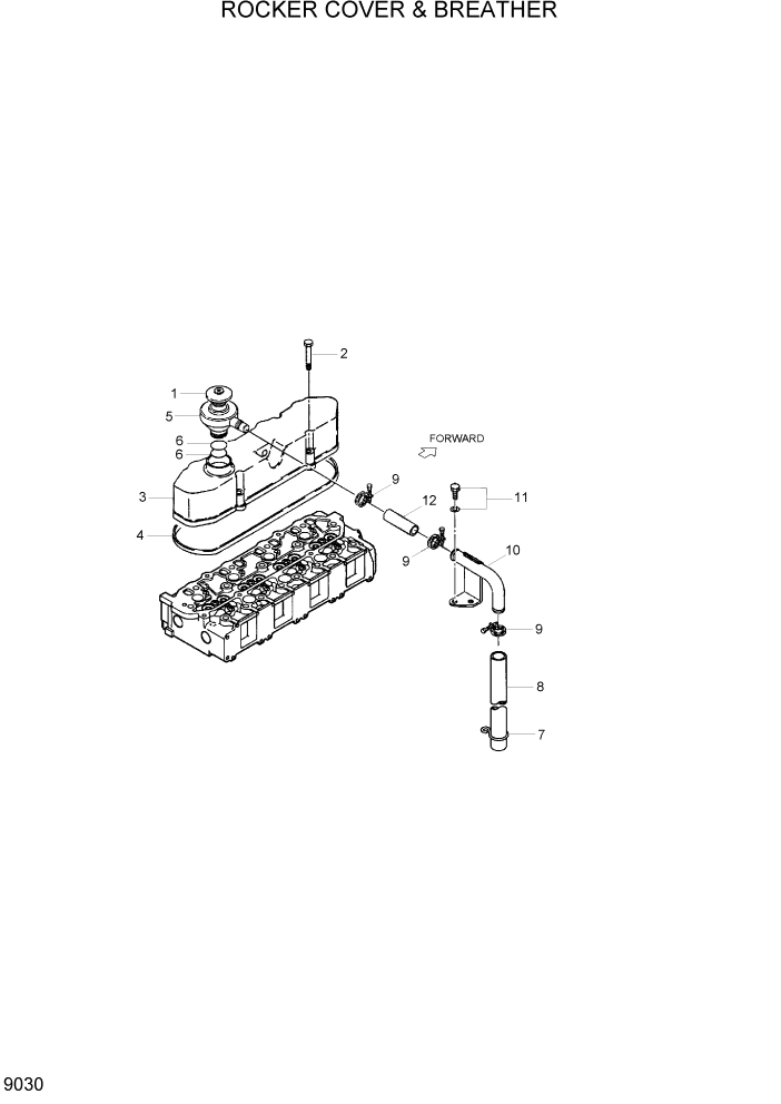
1

XJAF-00168

CAP-OIL FILLER

1шт.

2

XJAF-00169

BOLT

4шт.

3

XJAF-00170

COVER-ROCKER

1шт.

4

XJAF-00171

GASKET-ROCKER

1шт.

5

XJAF-00172

BREATHER

1шт.

6

XJAF-00173

O-RING

2шт.

7

XJAF-00174

CLIP-HOSE

1шт.

8

XJAF-00175

TUBE-SOFT VINYL

1шт.

9

XJAF-00176

CLAMP-HOSE

3шт.

10

XJAF-00177

PIPE-BREATHER

1шт.

11

XJAF-00178

BOLT-W/WASHER

2шт.

12

XJAF-00179

TUBE-SOFT VINYL

1шт.

Выбрано товаров: 12