Качественные детали и логистика
Оригинальные и аналоговые запчасти с доставкой по России, Казахстану и Беларуси
©2022 PartSell ООО "Система" ИНН 2463123282 ОГРН 1212400004838
Центральный офис: г. Красноярск, Академика Киренского, д.87, пом.4
Телефон: 8 (800) 777-65-74 Email: zakaz@partsell.ru
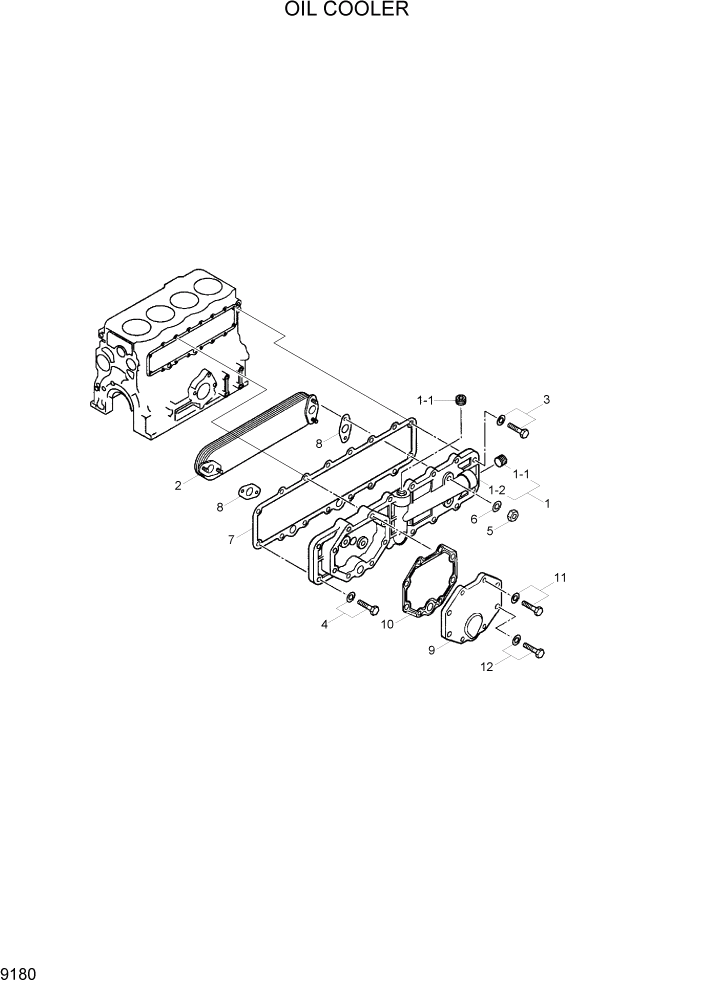
PAGE 9180 OIL COOLER
№
Артикул
Название
Примечание
Количество
1
XJAF-00377
COVER ASSY-COOLER
1шт.
1-1
XJAF-00378
PLUG-TAPERED
2шт.
N1-2
@
COVER-OIL COOLER
NOT
2
XJAF-00386
ELEMENT-OIL COOLER
3
XJAF-00230
BOLT-W/WASHER
3шт.
4
XJAF-00379
9шт.
5
XJAF-00380
NUT-LOCK
4шт.
6
XJAF-00255
WASHER-SPRING
7
XJAF-00381
GASKET-OIL COOLER
8
XJAF-00382
GASKET-O/C ELEMENT
9
XJAF-00383
COVER-FILTER
10
XJAF-00384
GASKET-FILTER
11
XJAF-00385
12
XJAF-00263
N
NOT INDIVIDUALLY SUPPLIED
ARшт.
Выбрано товаров: 0