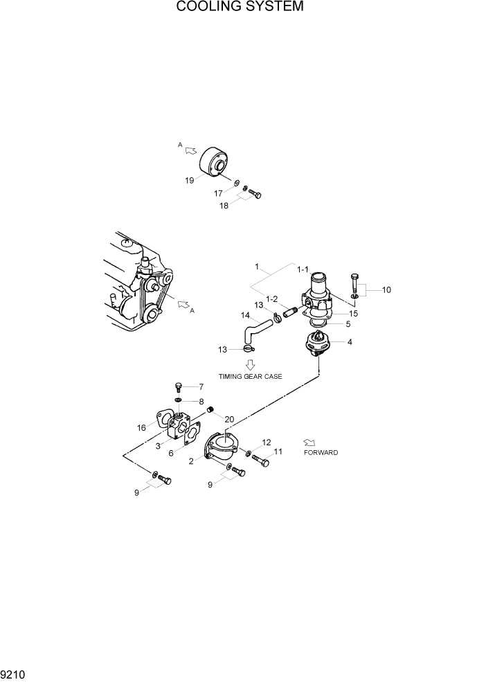
Запчасти Hyundai R110-7 PAGE 9210 COOLING SYSTEM ДВИГАТЕЛЬ БАЗА

Схема запчастей Hyundai R110-7 - PAGE 9210 COOLING SYSTEM ДВИГАТЕЛЬ БАЗА
FIT
1:1
100%

Артикул

Название

Примечание

Количество

1

XJAF-00408

COVER ASSY

1шт.

N1-1

@

COVER

NOT

1шт.

1-2

XJAF-00409

PIPE-BY PASS

1шт.

2

XJAF-00410

ELBOW

1шт.

3

XJAF-00411

SPACER

1шт.

4

XJAF-00412

THERMOSTAT

1шт.

5

XJAF-00413

PACKING

1шт.

6

XJAF-00414

GASKET

1шт.

7

XJAF-00418

PLUG-DRAIN

1шт.

8

XJAF-00224

WASHER-SEALING

1шт.

9

XJAF-00379

BOLT-W/WASHER

4шт.

10

XJAF-00419

BOLT-W/WASHER

3шт.

11

XJAF-00253

BOLT

1шт.

12

XJAF-00255

WASHER-SPRING

1шт.

13

XJAF-00420

CLAMP-HOSE

2шт.

14

XJAF-00421

HOSE-RUBBER

1шт.

15

XJAF-00422

GASKET-THERMOSTAT

1шт.

16

XJAF-00423

GASKET

1шт.

17

XJAF-00424

WASHER-PLAIN

4шт.

18

XJAF-00263

BOLT-W/WASHER

4шт.

19

XJAF-00838

SPACER-FAN

1шт.

20

XJAF-00201

PLUG-TAPER

1шт.

N

@

NOT INDIVIDUALLY SUPPLIED

NOT

ARшт.

Выбрано товаров: 23