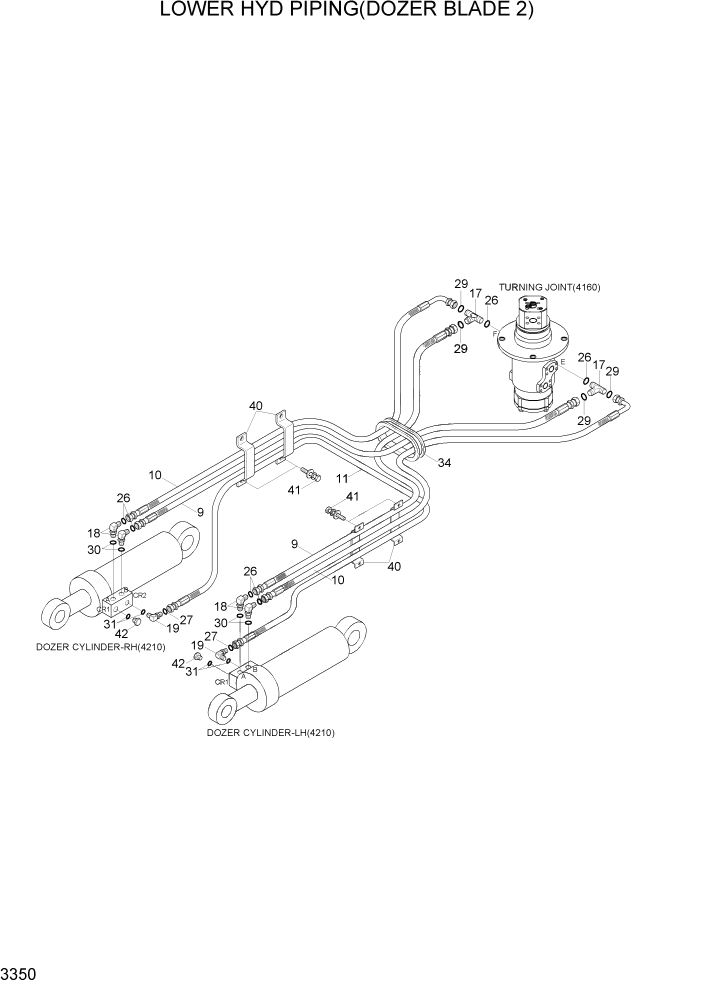
Запчасти Hyundai R110-7 PAGE 3350 TRAVEL HYD PIPING(DOZER BLADE 2) ГИДРАВЛИЧЕСКАЯ СИСТЕМА

Схема запчастей Hyundai R110-7 - PAGE 3350 TRAVEL HYD PIPING(DOZER BLADE 2) ГИДРАВЛИЧЕСКАЯ СИСТЕМА
FIT
1:1
100%

Артикул

Название

Примечание

Количество

9

P913-067037

HOSE ASSY-ORFS 0X90

2шт.

10

P933-067039

HOSE ASSY-ORFS 0X90

2шт.

11

P913-047050

HOSE ASSY-ORFS 0X0

1шт.

17

X820-085252

TEE-R/TYPE,ORFS

2шт.

18

X520-110002

ELBOW-90,ORFS

4шт.

19

X520-110001

ELBOW-90,ORFS

2шт.

26

S621-012001

O-RING,ORFS

8шт.

27

S621-011001

O-RING,ORFS

2шт.

29

S631-014004

O-RING

4шт.

30

S631-014004

O-RING

4шт.

31

S631-011004

O-RING

4шт.

34

S760-082012

GROMMET

1шт.

40

31E4-3146

STRAP

4шт.

41

S035-081522

BOLT-W/WASHER

8шт.

42

P220-110102

PLUG-HEX

2шт.

Выбрано товаров: 15