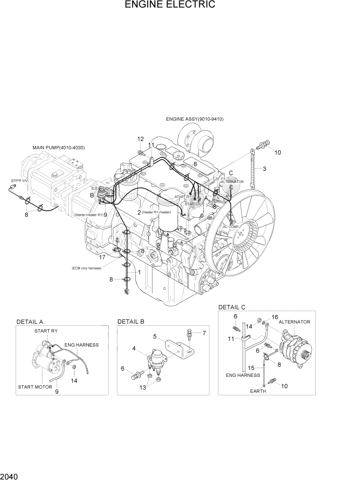
Запчасти Hyundai R110-7A PAGE 2040 ENGINE ELECTRIC ЭЛЕКТРИЧЕСКАЯ СИСТЕМА

Схема запчастей Hyundai R110-7A - PAGE 2040 ENGINE ELECTRIC ЭЛЕКТРИЧЕСКАЯ СИСТЕМА
FIT
1:1
100%

Артикул

Название

Примечание

Количество

1

21N5-30031

HARNESS-ENGINE

1шт.

2

21N9-20030

CABLE-HEATER

1шт.

3

21L8-30720

STRAP-EARTH

1шт.

4

21N8-42050

RELAY-HEATER

1шт.

5

21N5-10041

PLATE-HEATER RELAY

1шт.

6

S035-061526

BOLT-W/WASHER

4шт.

7

S037-102526

BOLT-W/WASHER

2шт.

8

S552-035146

CLAMP-TIE

18шт.

9

21N5-10100

CABLE(STARTER-HEAT RY)

1шт.

10

S035-081526

BOLT-W/WASHER

2шт.

11

31L7-10220

CLAMP-TUBE,INS SINGLE

2шт.

12

S037-122056

BOLT-W/WASHER

2шт.

13

S205-061006

NUT-HEX

2шт.

14

S205-051006

NUT-HEX

2шт.

15

21EA-52151

CABLE

1шт.

16

S411-050006

WASHER-SPRING

1шт.

17

S552-102370

CLAMP-BAND

1шт.

Выбрано товаров: 17