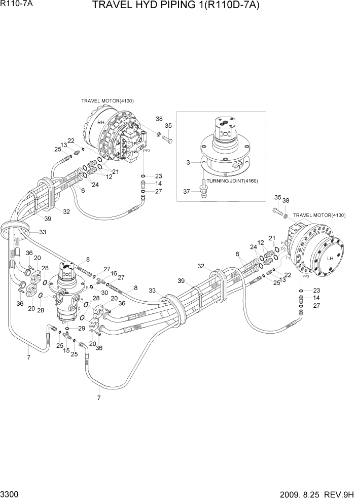
Запчасти Hyundai R110-7A PAGE 3300 TRAVEL HYD PIPING 1 (R110D-7A) ГИДРАВЛИЧЕСКАЯ СИСТЕМА

Схема запчастей Hyundai R110-7A - PAGE 3300 TRAVEL HYD PIPING 1 (R110D-7A) ГИДРАВЛИЧЕСКАЯ СИСТЕМА
FIT
1:1
100%

Артикул

Название

Примечание

Количество

3

31N1-40970

GASKET

1шт.

6

P950-127330

HOSE ASSY-ORFS,FLG 0X45

4шт.

7

P920-082031

HOSE ASSY-ORFS 0X45

2шт.

8

P930-042036

HOSE ASSY-ORFS 0X90

TYPE 1,SEE 4100

2шт.

8

P930-042039

HOSE ASSY-ORFS 0X90

TYPE 2,SEE 4130 #0042

2шт.

12

X500-310004

CONNECTOR-ORFS

4шт.

13

X500-310003

CONNECTOR-ORFS

2шт.

14

31N5-10420

CONNECTOR-LONG

TYPE 1,SEE 4100

2шт.

14

X500-310001

CONNECTOR-ORFS

TYPE 2,SEE 4130 #0042

2шт.

15

X810-085353

TEE-B/TYPE,ORFS

1шт.

16

X810-065151

TEE-B/TYPE,ORFS

1шт.

20

P173-120102

FLANGE-HYD,SPLIT

8шт.

21

S611-023001

O-RING

4шт.

22

S611-016001

O-RING

2шт.

23

S611-009001

O-RING

2шт.

24

S621-018001

O-RING

4шт.

25

S621-014001

O-RING

4шт.

27

S621-011001

O-RING

4шт.

28

Y171-019001

O-RING

4шт.

29

S631-014004

O-RING

1шт.

30

S631-014004

O-RING

1шт.

32

S760-101221

GROMMET

2шт.

33

31E3-31230

GROMMET

2шт.

35

S017-160506

BOLT-HEX

32шт.

36

S109-100306

BOLT-SOCKET

16шт.

37

S037-123026

BOLT-W/WASHER

4шт.

38

S411-160006

WASHER-SPRING

32шт.

39

S552-102370

CLAMP-BAND

6шт.

Выбрано товаров: 28