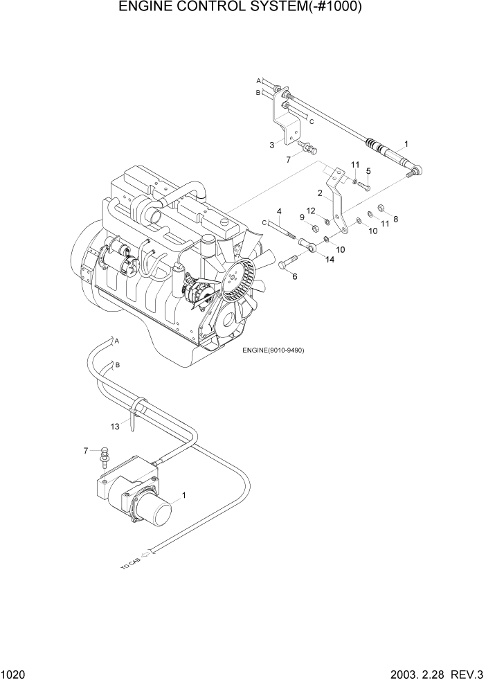
Запчасти Hyundai R140LC-7 PAGE 1020 ENGINE CONTROL SYSTEM(-#1000) СИСТЕМА ДВИГАТЕЛЯ

Схема запчастей Hyundai R140LC-7 - PAGE 1020 ENGINE CONTROL SYSTEM(-#1000) СИСТЕМА ДВИГАТЕЛЯ
FIT
1:1
100%

Артикул

Название

Примечание

Количество

*

@

ENGINE CONTROL SYS

NOT #1000

1шт.

1

21EN-32220

ACTUATOR-ACCEL

1шт.

2

11EG-60012

LEVER WA

1шт.

3

11N4-60020

BRACKET-CABLE

1шт.

4

11E1-4803

CABLE-PUSH PULL

1шт.

5

S015-060152

BOLT-HEX

2шт.

6

S015-060252

BOLT-HEX

1шт.

7

S035-082012

BOLT-W/WASHER

5шт.

8

S205-061002

NUT-HEX

2шт.

9

S205-08100B

NUT-HEX

1шт.

10

S403-062002

WASHER-PLAIN

2шт.

11

S411-060002

WASHER-SPRING

3шт.

12

S411-080002

WASHER-SPRING

1шт.

13

S551-020102

CLAMP-BAND

3шт.

14

S923-106000

ROD END-METRIC

1шт.

Выбрано товаров: 15