Запчасти Hyundai R140LC-7 PAGE 4240 SOLENOID VALVE ГИДРАВЛИЧЕСКИЕ КОМПОНЕНТЫ

Схема запчастей Hyundai R140LC-7 - PAGE 4240 SOLENOID VALVE ГИДРАВЛИЧЕСКИЕ КОМПОНЕНТЫ
FIT
1:1
100%

Артикул

Название

Примечание

Количество

*

31N6-20142

SOLENOID VALVE

#0135

1шт.

*

31N4-22030

SOLENOID VALVE

#0136

1шт.

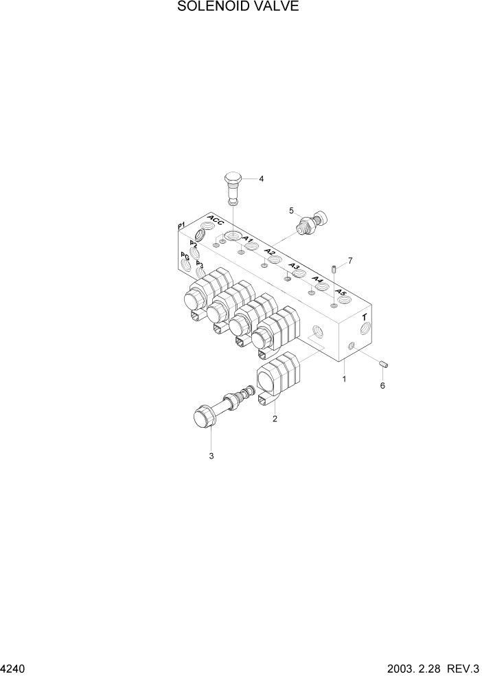
1

XKBL-00002

BODY

#0135

1шт.

1

XKBL-00009

BODY

#0136

1шт.

2

XKBL-00004

COIL

5шт.

3

XKBL-00003

VALVE-SOLENOID

5шт.

4

XKBL-00005

VALVE-CHECK

1шт.

5

XKBL-00006

OVERLOAD-MANUAL

1шт.

6

P220-430202

PLUG

#0135

4шт.

6

P220-430202

PLUG

#0136

5шт.

7

P220-430201

PLUG

11шт.

Выбрано товаров: 11