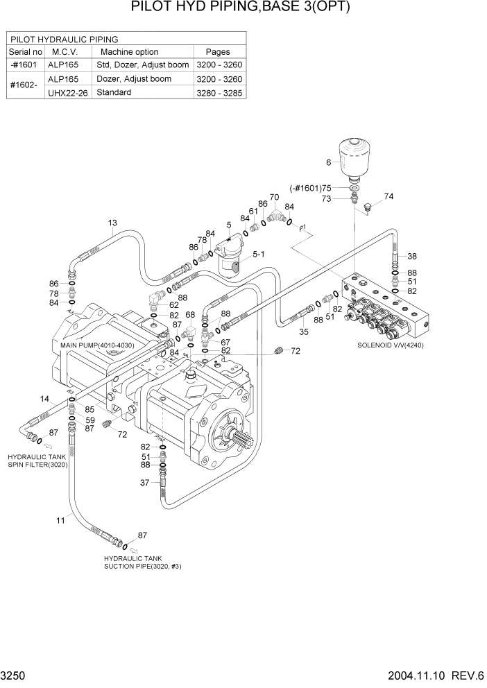
Запчасти Hyundai R140LC-7 PAGE 3250 PILOT HYD PIPING(BASE 3, OPT) ГИДРАВЛИЧЕСКАЯ СИСТЕМА

Схема запчастей Hyundai R140LC-7 - PAGE 3250 PILOT HYD PIPING(BASE 3, OPT) ГИДРАВЛИЧЕСКАЯ СИСТЕМА
FIT
1:1
100%

Артикул

Название

Примечание

Количество

*

@

PILOT HYD PIPING

NOT #1601

1шт.

*

@

PILOT HYD PIPING

NOT #1602

1шт.

5

31E3-0017

FILTER-LINE

1шт.

5-1

31E3-0018

ELEMENT-LINE FILTER

1шт.

6

31E3-3187

ACCUMULATOR

1шт.

11

P910-122012

HOSE ASSY-ORFS 0X0

1шт.

13

P930-082016

HOSE ASSY-ORFS 0X90

1шт.

14

P620-122015

HOSE ASSY-THD 0X90

#1370

1шт.

14

P930-122015

HOSE ASSY-ORFS 0X90

#1371

1шт.

35

P420-042007

HOSE ASSY-COMP 0X90

#1370

1шт.

35

X420-042007

HOSE ASSY-SYNFLEX,ORFS

#1371 - #1601

1шт.

35

P930-042007

HOSE ASSY-ORFS 0X90

#1602

1шт.

37

P420-042009

HOSE ASSY-COMP 0X90

#1370

1шт.

37

X420-042009

HOSE ASSY-SYNFLEX,ORFS

#1371 - #1601

1шт.

37

P930-042009

HOSE ASSY-ORFS 0X90

#1602

1шт.

38

P420-042010

HOSE ASSY-COMP 0X90

#1370

1шт.

38

X420-042010

HOSE ASSY-SYNFLEX,ORFS

#1371 - #1601

1шт.

38

P930-042010

HOSE ASSY-ORFS 0X90

#1602

1шт.

51

P010-110002

CONNECTOR

#1370

3шт.

51

X500-110001

CONNECTOR-ORFS

#1371

3шт.

59

X500-110004

CONNECTOR-ORFS

1шт.

61

31EM-20160

ADAPTER

#1370

1шт.

61

31N6-22400

ADAPTER

#1371

1шт.

62

P020-110001

ELBOW-90

#1370

1шт.

62

X520-110001

ELBOW-90,ORFS

#1371

1шт.

67

P320-040404

TEE-RUN TYPE

#1370

1шт.

67

X820-045151

TEE-R/TYPE,ORFS

#1371

1шт.

68

P020-110015

ELBOW-90

#1370

1шт.

68

X520-110015

ELBOW-90,ORFS

#1371

1шт.

70

P020-110003

ELBOW-90

#1370

1шт.

70

X520-110003

ELBOW-90,ORFS

#1371

1шт.

72

31EK-11130

COUPLING-SCREW

3шт.

73

31E9-20060

FITTING

#1601

1шт.

73

31N6-24200

CONNECTOR

#1602

1шт.

74

P220-110103

PLUG-HEX

W/O ACCUMULATOR

1шт.

75

P391-080000

WASHER-COPPER

#1601

1шт.

78

X500-110003

CONNECTOR-ORFS

2шт.

82

S631-011004

O-RING

5шт.

84

S631-018004

O-RING

4шт.

85

S631-024004

O-RING

2шт.

86

S621-014001

O-RING,ORFS

#1370

1шт.

86

S621-014001

O-RING,ORFS

#1371

2шт.

87

S621-018001

O-RING,ORFS

#1370

2шт.

87

S621-018001

O-RING,ORFS

#1371

4шт.

88

S621-011001

O-RING,ORFS

#1371

6шт.

Выбрано товаров: 45