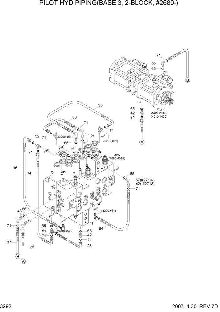
Запчасти Hyundai R140LC-7 PAGE 3292 PILOT HYD PIPING(BASE 3,2-BLOCK, #2680-) ГИДРАВЛИЧЕСКАЯ СИСТЕМА

Схема запчастей Hyundai R140LC-7 - PAGE 3292 PILOT HYD PIPING(BASE 3,2-BLOCK, #2680-) ГИДРАВЛИЧЕСКАЯ СИСТЕМА
FIT
1:1
100%

Артикул

Название

Примечание

Количество

*6

@

PILOT HYD PIPING

NOT #2680

1шт.

16

P930-042017

HOSE ASSY-ORFS 0X90

1шт.

25

P910-043041

HOSE ASSY-ORFS 0X0

1шт.

28

P930-042008

HOSE ASSY-ORFS 0X90

1шт.

30

P930-042010

HOSE ASSY-ORFS 0X90

2шт.

34

P930-042019

HOSE ASSY-ORFS 0X90

1шт.

37

P910-043048

HOSE ASSY-ORFS 0X0

1шт.

42

X500-110001

CONNECTOR-ORFS

2шт.

48

X520-110012

ELBOW-90,ORFS

2шт.

51

X820-045151

TEE-R/TYPE,ORFS

1шт.

52

31N4-22150

TEE-LONG,ORFS

1шт.

55

X520-110001

ELBOW-90,ORFS

1шт.

57

31N6-25110

ELBOW-90,ORFS,LONG

#2718

2шт.

57

31N6-25110

ELBOW-90,ORFS,LONG

#2719

3шт.

65

S631-011004

O-RING

7шт.

66

S631-014004

O-RING

2шт.

71

S621-011001

O-RING,ORFS

16шт.

84

P930-042020

HOSE ASSY-ORFS 0X90

1шт.

Выбрано товаров: 18