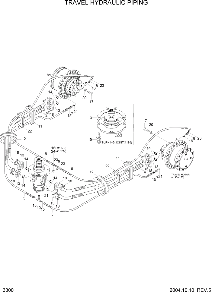
Запчасти Hyundai R140LC-7 PAGE 3300 TRAVEL HYDRAULIC PIPING ГИДРАВЛИЧЕСКАЯ СИСТЕМА

Схема запчастей Hyundai R140LC-7 - PAGE 3300 TRAVEL HYDRAULIC PIPING ГИДРАВЛИЧЕСКАЯ СИСТЕМА
FIT
1:1
100%

Артикул

Название

Примечание

Количество

3

31N1-40970

GASKET

1шт.

4

P690-127336

HOSE ASSY-FLG 0X45

4шт.

5

P920-082035

HOSE ASSY-ORFS 0X45

2шт.

6

P620-042043

HOSE ASSY-THD 0X90

#1370

2шт.

6

P930-042043

HOSE ASSY-ORFS 0X90

#1371

2шт.

7

X500-110003

CONNECTOR-ORFS

2шт.

8

P030-110001

ELBOW-45

#1370

2шт.

8

X530-110001

ELBOW-45,ORFS

#1371

2шт.

9

P310-060404

TEE-BRANCH TYPE

#1370

1шт.

9

X810-065151

TEE-B/TYPE,ORFS

#1371

1шт.

10

X810-085353

TEE-B/TYPE,ORFS

1шт.

11

S760-141221

GROMMET

#0171

2шт.

11

S760-141421

GROMMET

#0172

2шт.

12

31E3-3118

GROMMET

2шт.

13

P173-120102

FLANGE-HYD,SPLIT

16шт.

14

Y171-019001

O-RING

8шт.

15

S621-014001

O-RING

4шт.

16

S631-011001

O-RING

#1370

3шт.

16

S631-011001

O-RING

#1371

2шт.

17

S017-160552

BOLT-HEX

60шт.

18

S109-100306

BOLT-SOCKET

32шт.

19

S037-123022

BOLT-W/WASHER

4шт.

20

S441-160002

WASHER-HARDENED

60шт.

21

S631-018001

O-RING

3шт.

22

S552-102370

CLAMP-BAND

6шт.

23

S621-011001

O-RING

#1371

4шт.

24

S621-014001

O-RING

#1371

1шт.

Выбрано товаров: 27