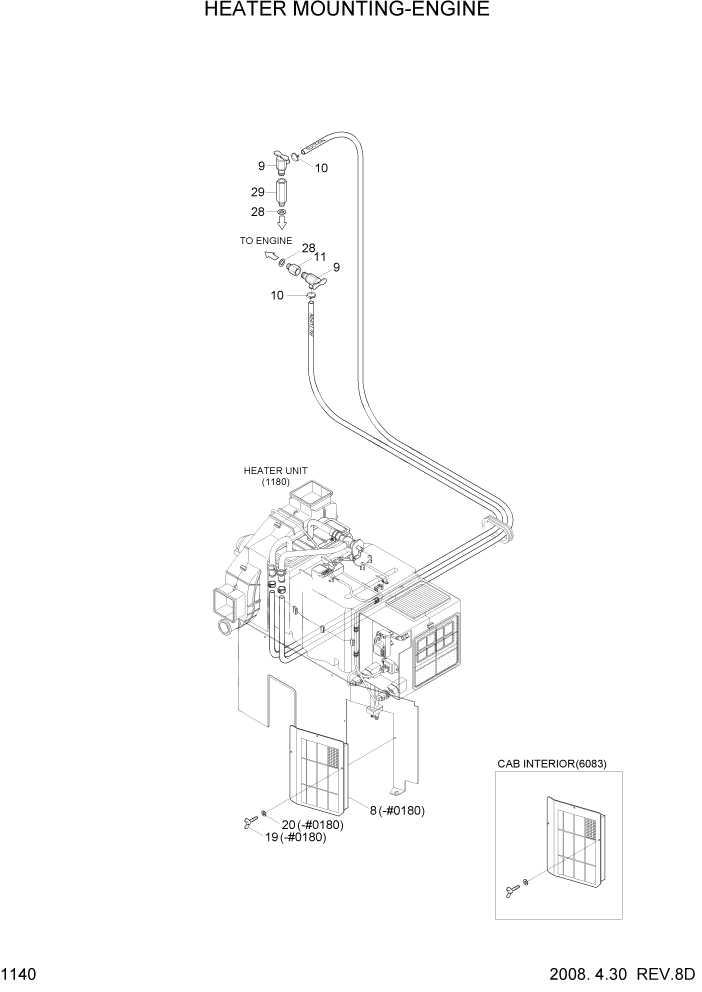
Запчасти Hyundai R140LC-7A PAGE 1140 HEATER MOUNTING-ENGINE СИСТЕМА ДВИГАТЕЛЯ

Схема запчастей Hyundai R140LC-7A - PAGE 1140 HEATER MOUNTING-ENGINE СИСТЕМА ДВИГАТЕЛЯ
FIT
1:1
100%

Артикул

Название

Примечание

Количество

8

11N6-90340

FILTER-REC

#0180

1шт.

9

14L1-01350

VALVE-HEATER

2шт.

10

S572-220006

CLAMP-HOSE,WIRE TYPE

2шт.

11

11N5-93010

CONNECTOR-HEAT VLV

1шт.

19

S091-060156

BOLT-WING

#0180

3шт.

20

S403-06100B

WASHER-PLAIN

#0180

3шт.

28

P392-160000

WASHER-COPPER

2шт.

29

11N5-93021

CONNECTOR-HEAT VLV

1шт.

Выбрано товаров: 8