Запчасти Hyundai R140LC-7A PAGE 9290 FUEL FILTER ДВИГАТЕЛЬ БАЗА

Схема запчастей Hyundai R140LC-7A - PAGE 9290 FUEL FILTER ДВИГАТЕЛЬ БАЗА
FIT
1:1
100%

Артикул

Название

Примечание

Количество

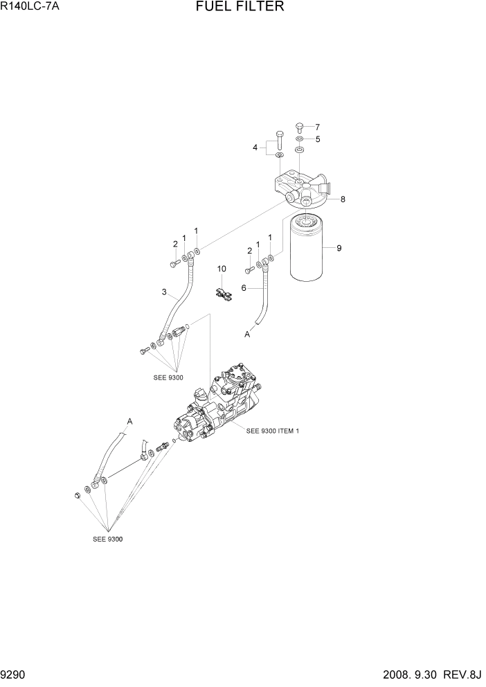
1

XJAF-02416

WASHER

4шт.

2

XJAF-02424

BOLT-EYE

2шт.

3

XJAF-02441

WASHER-PLAIN

1шт.

3

XJAF-00492

HOSE-FUEL FEED

1шт.

4

XJAF-02382

BOLT-W/WASHER

#0001

2шт.

5

XJAF-00563

WASHER-SEALING

#0001

1шт.

6

XJAF-02427

HOSE-FUEL FEED

1шт.

7

XJAF-02428

PLUG-AIR

1шт.

8

XJAF-02573

BRACKET-FUEL FILTER

#0001

1шт.

9

XJAF-02430

ELEMENT-FUEL FILTER

1шт.

10

XJAF-00493

CLAMP

#0001

1шт.

Выбрано товаров: 11