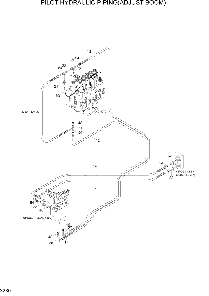
Запчасти Hyundai R140LC-7A PAGE 3280 PILOT HYD PIPING(ADJUST BOOM) ГИДРАВЛИЧЕСКАЯ СИСТЕМА

Схема запчастей Hyundai R140LC-7A - PAGE 3280 PILOT HYD PIPING(ADJUST BOOM) ГИДРАВЛИЧЕСКАЯ СИСТЕМА
FIT
1:1
100%

Артикул

Название

Примечание

Количество

12

X400-042060

HOSE ASSY-SYNFLEX,ORFS

1шт.

13

X400-042066

HOSE ASSY-SYNFLEX,ORFS

1шт.

14

X420-042021

HOSE ASSY-SYNFLEX,ORFS

2шт.

22

P010-110002

CONNECTOR

2шт.

27

X520-110001

ELBOW-90,ORFS

1шт.

28

31N6-25110

ELBOW-90,ORFS,LONG

1шт.

30

X810-045151

TEE-B/TYPE,ORFS

1шт.

31

X820-045151

TEE-R/TYPE,ORFS

1шт.

32

X840-515151

TEE-R/TYPE,ORFS

2шт.

33

31N5-10410

TEE-SHUTTLE

1шт.

34

31E5-40520

SWITCH-PRESSURE

AUTO IDLE

1шт.

48

S631-011004

O-RING

6шт.

53

21N4-01560

HARNESS-EXTENSION

1шт.

54

S621-011001

O-RING

10шт.

Выбрано товаров: 0