Запчасти Hyundai R160LC7A PAGE 6300 GROMMET GROUP СТРУКТУРА

Схема запчастей Hyundai R160LC7A - PAGE 6300 GROMMET GROUP СТРУКТУРА
FIT
1:1
100%

Артикул

Название

Примечание

Количество

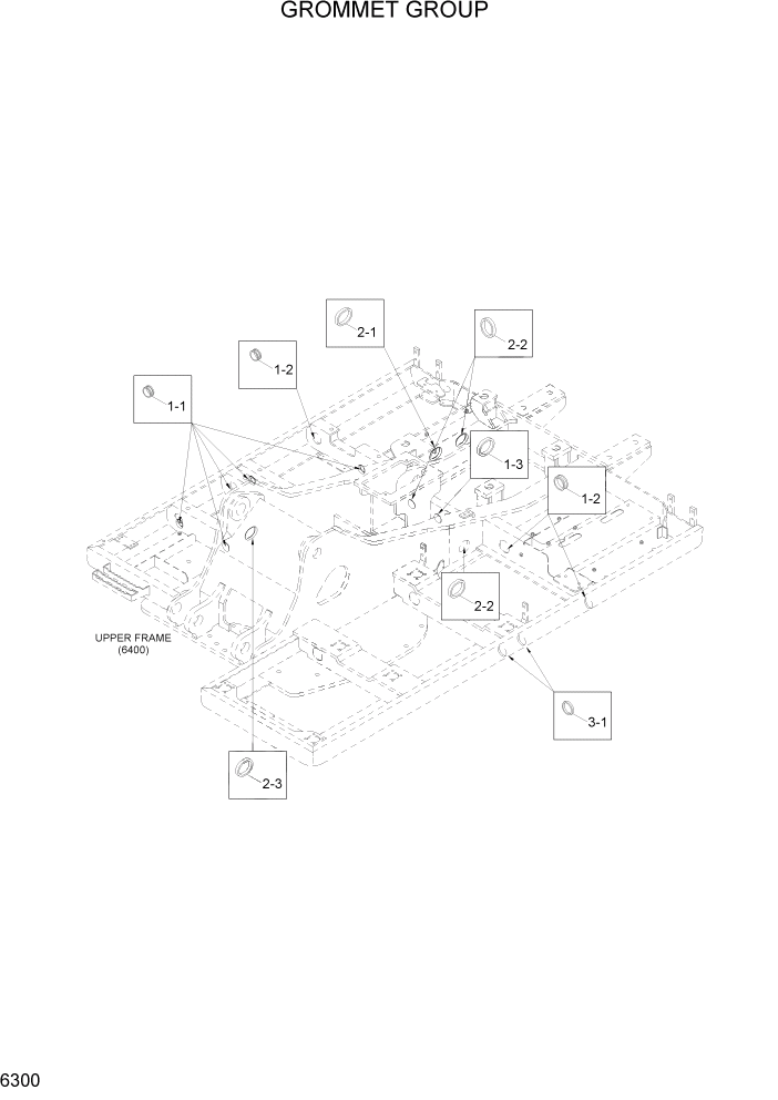
1

41N5-50011

GROMMET KIT(A)

1шт.

1-1

S760-041000

GROMMET

5шт.

1-2

S760-071800

GROMMET

3шт.

1-3

S760-081400

GROMMET

1шт.

2

41N5-50020

GROMMET KIT(B)

1шт.

2-1

S760-081800

GROMMET

1шт.

2-2

S760-092200

GROMMET

3шт.

2-3

S760-111400

GROMMET

1шт.

3

41N5-50030

GROMMET KIT(C)

1шт.

3-1

S760-031800

GROMMET

2шт.

Выбрано товаров: 10