Качественные детали и логистика
Оригинальные и аналоговые запчасти с доставкой по России, Казахстану и Беларуси
©2022 PartSell ООО "Система" ИНН 2463123282 ОГРН 1212400004838
Центральный офис: г. Красноярск, Академика Киренского, д.87, пом.4
Телефон: 8 (800) 777-65-74 Email: zakaz@partsell.ru
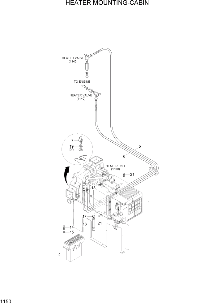
PAGE 1150 HEATER MOUNTING-CABIN
№
Артикул
Название
Примечание
Количество
1
@
HEATER UNIT
NOT
1шт.
2
11N6-90331
CONTROL ASSY
5
11N8-92310
HOSE-HEATER
6
11EK-92070
HOSE
7
S017-120256
BOLT-HEX
4шт.
14
S179-050206
SCREW-SOCKET RD HD
15
S403-05200B
WASHER-PLAIN
16
11EK-92090
HOSE-DRAIN
17
S520-020000
CLAMP-HOSE
18
S572-220006
CLAMP-HOSE WIRE TYPE
2шт.
19
S441-120006
WASHER-HARDENED
20
73NB-56400
SHIM
21
S151-040126
SCREW-TAPPING
Выбрано товаров: 0