Запчасти Hyundai R160LC7A PAGE 2080 BOTTOM ELECTRIC ЭЛЕКТРИЧЕСКАЯ СИСТЕМА

Схема запчастей Hyundai R160LC7A - PAGE 2080 BOTTOM ELECTRIC ЭЛЕКТРИЧЕСКАЯ СИСТЕМА
FIT
1:1
100%

Артикул

Название

Примечание

Количество

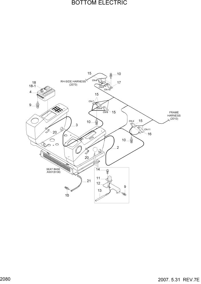
2

21N8-11160

HARNESS-LH,CONSOLE

1шт.

3

21N4-02810

HARNESS-CONSOLE,RH

1шт.

4

21N7-40070

SWITCH ASSY-MEMBRANE

#0001

1шт.

9

S131-051546

SCREW-W/WASHER

6шт.

10

S037-102026

BOLT-W/WASHER

7шт.

11

21M5-50250

SWITCH ASSY

SAFETY SW

1шт.

12

21N8-21080

PLATE

1шт.

13

S890-107508

TUBE-PVC

1шт.

14

S131-041026

SCREW-W/WASHER

1шт.

15

21N4-01130

PLATE-CLIP

6шт.

16

25D1-10660

CLIP ASSY

1шт.

17

25D1-10650

CLIP ASSY

1шт.

18

21N4-10400

SWITCH ASSY-INCL KEY

1шт.

18-1

21N4-10400K

KEY-START

1шт.

20

S591-000802

CLIP-HARNESS

2шт.

21

21NA-10500

CABLE(MASTER SW-EARTH)

1шт.

Выбрано товаров: 16