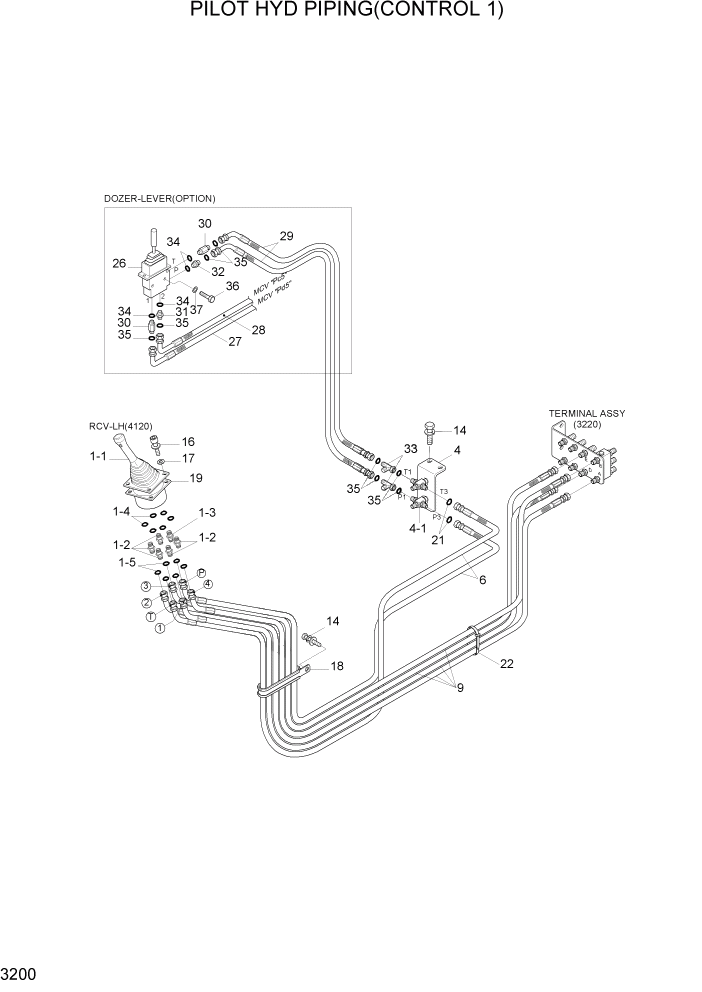
Запчасти Hyundai R160LC7A PAGE 3200 PILOT HYD PIPING(CONTROL 1) ГИДРАВЛИЧЕСКАЯ СИСТЕМА

Схема запчастей Hyundai R160LC7A - PAGE 3200 PILOT HYD PIPING(CONTROL 1) ГИДРАВЛИЧЕСКАЯ СИСТЕМА
FIT
1:1
100%

Артикул

Название

Примечание

Количество

1

31N6-26200

RCV LEVER SUB ASSY-LH

WITH FITTING

1шт.

1-1

@

RCV LEVER-LH

NOT

1шт.

1-2

X500-110001

CONNECTOR-ORFS

5шт.

1-3

S631-011004

O-RING

6шт.

1-4

31N6-25060

FILTER-LAST GUARD

1шт.

1-5

S621-011001

O-RING

6шт.

4

31N6-25100

CROSS ASSY

1шт.

4-1

31N6-25040

CROSS-BULKHEAD TYPE

2шт.

6

X410-042025

HOSE ASSY-SYNFLEX,ORFS

2шт.

9

X410-042040

HOSE ASSY-SYNFLEX,ORFS

4шт.

14

S037-102046

BOLT-W/WASHER

3шт.

16

S035-063046

BOLT-W/WASHER

4шт.

17

S403-06200B

WASHER-PLAIN

4шт.

18

31E7-0312

CLAMP-HOSE

1шт.

19

31M6-51061

SHIM(3.2T)

1шт.

21

S621-011001

O-RING

2шт.

22

S551-050203

CLAMP-BAND

10шт.

26

31N4-20080

LEVER-DOZER

1шт.

27

X420-042064

HOSE ASSY-SYNFLEX,ORFS

1шт.

28

X420-042060

HOSE ASSY-SYNFLEX,ORFS

1шт.

29

X410-042024

HOSE ASSY-SYNFLEX,ORFS

2шт.

30

X511-104513

CONNECTOR-ORFS

2шт.

31

X500-110001

CONNECTOR-ORFS

1шт.

32

31N6-25060

FILTER-LAST GUARD

1шт.

33

X840-515151

TEE-R/TYPE,ORFS

2шт.

34

S631-011004

O-RING

4шт.

35

S621-011001

O-RING

8шт.

36

S015-080356

BOLT-HEX

2шт.

37

S403-08200B

WASHER-PLAIN

2шт.

Выбрано товаров: 29