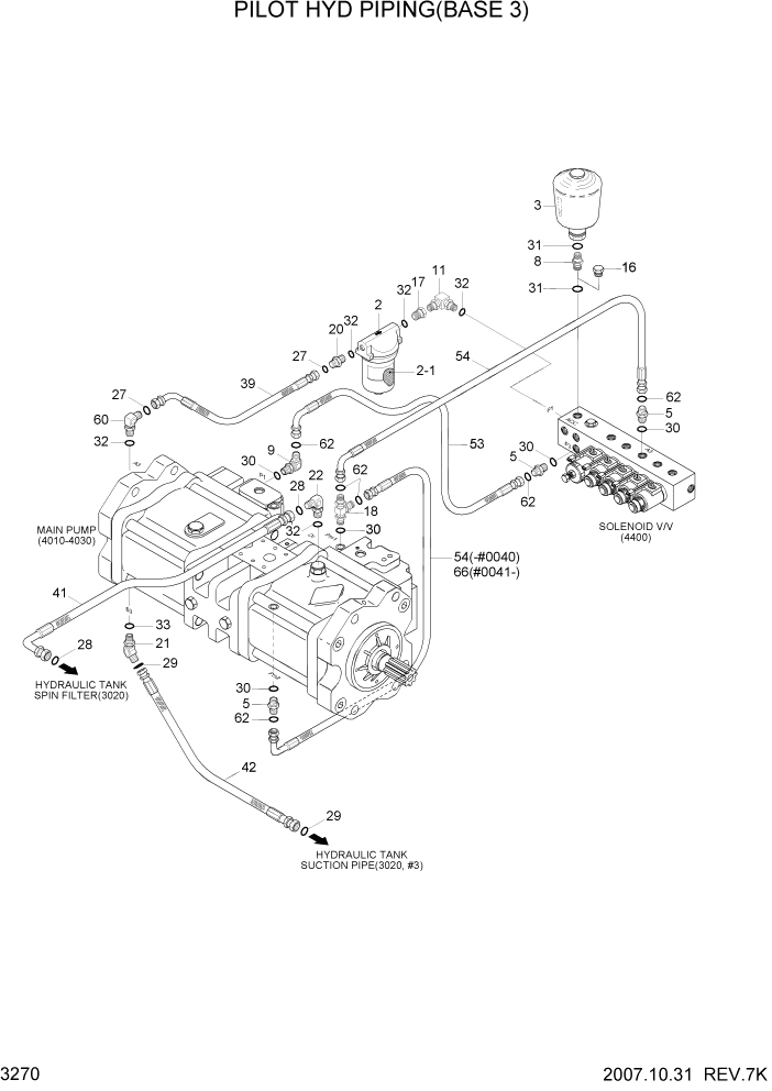
Запчасти Hyundai R160LC7A PAGE 3270 PILOT HYD PIPING(BASE 3) ГИДРАВЛИЧЕСКАЯ СИСТЕМА

Схема запчастей Hyundai R160LC7A - PAGE 3270 PILOT HYD PIPING(BASE 3) ГИДРАВЛИЧЕСКАЯ СИСТЕМА
FIT
1:1
100%

Артикул

Название

Примечание

Количество

2

31MH-20310

FILTER-LINE

1шт.

2-1

31MH-20320

ELEMENT-LINE FILTER

1шт.

3

31E3-3187

ACCUMULATOR

1шт.

5

X500-110001

CONNECTOR-ORFS

3шт.

8

31N6-24200

CONNECTOR

1шт.

9

X520-110001

ELBOW-90,ORFS

1шт.

11

X520-110003

ELBOW-90,ORFS

1шт.

16

P220-110103

PLUG

1шт.

17

31N6-22400

ADAPTER

1шт.

18

X820-045151

TEE-R/TYPE,ORFS

1шт.

20

X500-110003

CONNECTOR-ORFS

1шт.

21

X530-110017

ELBOW 45-ORFS

1шт.

22

X520-110015

ELBOW-90,ORFS

1шт.

27

S621-014001

O-RING(SEAL LOCK TYPE)

2шт.

28

S621-018001

O-RING,ORFS

4шт.

29

S621-021001

O-RING,ORFS

2шт.

30

S631-011004

O-RING

5шт.

31

S631-014004

O-RING

2шт.

32

S631-018004

O-RING

5шт.

33

S631-024004

O-RING

1шт.

39

P930-082010

HOSE ASSY-ORFS 0X90

1шт.

41

P930-122016

HOSE ASSY-ORFS 0X90

1шт.

42

P910-162010

HOSE ASSY-ORFS 0X0

1шт.

53

X420-042006

HOSE ASSY-SYNFLEX,ORFS

1шт.

54

X420-042009

HOSE ASSY-SYNFLEX,ORFS

#0001

2шт.

54

X420-042010

HOSE ASSY-SYNFLEX,ORFS

#0002 - #0040

2шт.

54

X420-042010

HOSE ASSY-SYNFLEX,ORFS

#0041

1шт.

60

X520-110003

ELBOW-90,ORFS

1шт.

62

S621-011001

O-RING(SEAL LOCK TYPE)

5шт.

66

X420-042009

HOSE ASSY-SYNFLEX,ORFS

#0041

1шт.

Выбрано товаров: 30