Запчасти Hyundai R180LC7 PAGE 9280 CONTROL SYSTEM ДВИГАТЕЛЬ БАЗА

Схема запчастей Hyundai R180LC7 - PAGE 9280 CONTROL SYSTEM ДВИГАТЕЛЬ БАЗА
FIT
1:1
100%

Артикул

Название

Примечание

Количество

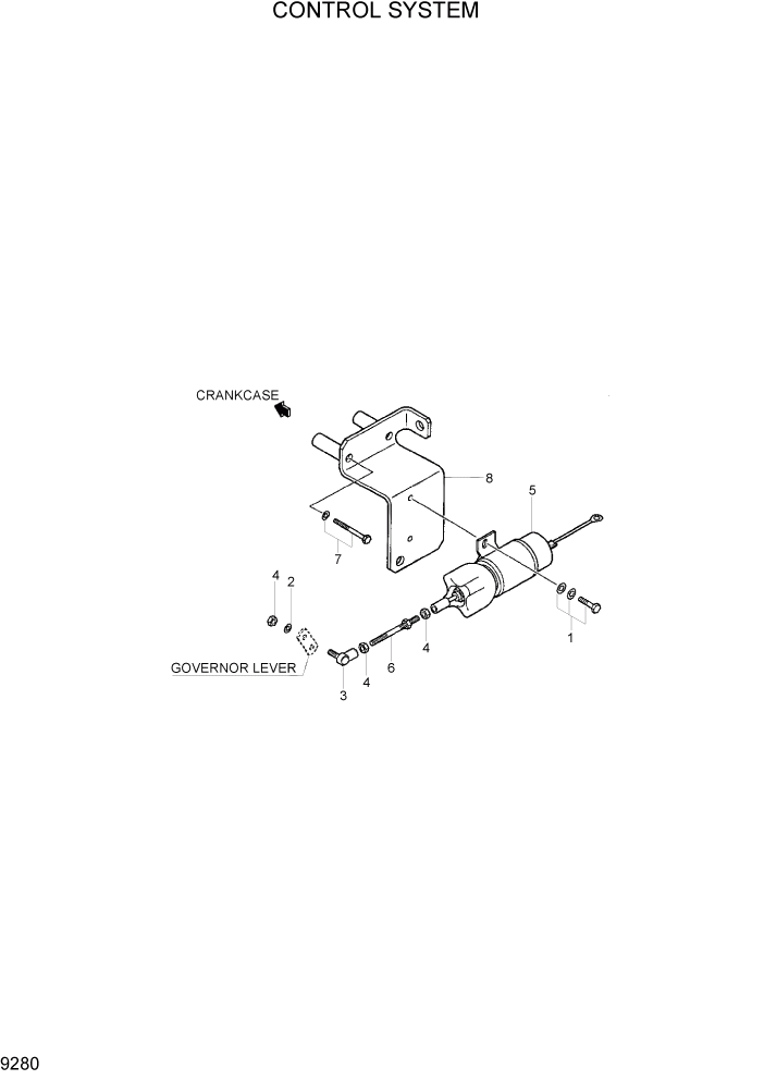
1

F1825-06012

BOLT-W/WASHER

2шт.

2

F2515-06000

WASHER-SPRING

1шт.

3

32563-061

JOINT-BALL

1шт.

4

F2300-06000

NUT-LOCK

3шт.

5

34287-013

SOLENOID

1шт.

6

34287-02702

ROD

1шт.

7

F1805-08075

BOLT-W/WASHER

2шт.

8

32B87-10501

BRACKET-SOLENOID

1шт.

Выбрано товаров: 8