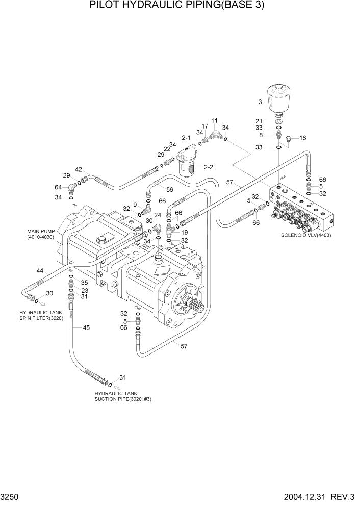
Запчасти Hyundai R180LC7 PAGE 3250 PILOT HYDRAULIC PIPING(BASE 3) ГИДРАВЛИЧЕСКАЯ СИСТЕМА

Схема запчастей Hyundai R180LC7 - PAGE 3250 PILOT HYDRAULIC PIPING(BASE 3) ГИДРАВЛИЧЕСКАЯ СИСТЕМА
FIT
1:1
100%

Артикул

Название

Примечание

Количество

2

31E3-0017

FILTER-LINE

1шт.

2-1

31E3-0044

BODY

1шт.

2-2

31E3-0018

ELEMENT-LINE FILTER

1шт.

3

31E3-3187

ACCUMULATOR

1шт.

5

P010-110002

CONNECTOR

#0047

2шт.

5

X500-110001

CONNECTOR-ORFS

#0048

2шт.

8

31E9-20060

FITTING

#0118

1шт.

8

31N6-24200

CONNECTOR

#0119

1шт.

9

P020-110001

ELBOW-90

#0047

1шт.

9

X520-110001

ELBOW-90,ORFS

#0048

1шт.

11

P020-110003

ELBOW-90

#0047

1шт.

11

X520-110003

ELBOW-90,ORFS

#0048

1шт.

16

P220-110103

PLUG-HEX,HEAD

1шт.

17

31EM-20160

ADAPTER

#0047

1шт.

17

31N6-22400

ADAPTER

#0048

1шт.

19

P320-040404

TEE-RUN TYPE

#0047

1шт.

19

X820-045151

TEE-R/TYPE,ORFS

#0048

1шт.

21

P391-080000

WASHER-COPPER

#0118

1шт.

22

X500-110003

CONNECTOR-ORFS

1шт.

23

X500-110004

CONNECTOR-ORFS

#0004

1шт.

23

X530-110017

ELBOW-45,ORFS

#0005

1шт.

24

X520-110015

ELBOW-90,ORFS

1шт.

29

S621-014001

O-RING(SEAL LOCK TYPE)

2шт.

30

S621-018001

O-RING

2шт.

31

S621-021001

O-RING

2шт.

32

S631-011004

O-RING

5шт.

33

S631-014004

O-RING

2шт.

34

S631-018004

O-RING

5шт.

35

S631-024004

O-RING

1шт.

42

P930-082010

HOSE ASSY-ORFS 0X90

1шт.

44

P930-122014

HOSE ASSY-ORFS 0X90

1шт.

45

31N5-20040

HOSE ASSY-0X45

#0004

1шт.

45

P910-162010

HOSE ASSY-ORFS 0X0

#0005

1шт.

56

P860-042007

HOSE ASSY-SYN 0X90

#0047

1шт.

56

X420-042007

HOSE ASSY-ORFS 0X90

#0048

1шт.

57

P860-042009

HOSE ASSY-SYN 0X90

#0047

2шт.

57

X420-042009

HOSE ASSY-ORFS 0X90

#0048

2шт.

64

X520-110003

ELBOW-90,ORFS

1шт.

66

S621-011001

O-RING

#0048

6шт.

Выбрано товаров: 0