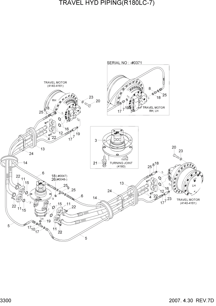
Запчасти Hyundai R180LC7 PAGE 3300 TRAVEL HYD PIPING(R180LC-7) ГИДРАВЛИЧЕСКАЯ СИСТЕМА

Схема запчастей Hyundai R180LC7 - PAGE 3300 TRAVEL HYD PIPING(R180LC-7) ГИДРАВЛИЧЕСКАЯ СИСТЕМА
FIT
1:1
100%

Артикул

Название

Примечание

Количество

3

31N1-40970

GASKET

1шт.

4

31N5-40031

HOSE ASSY

4шт.

5

P920-082039

HOSE ASSY-ORFS 0X45

2шт.

6

P420-042048

HOSE ASSY-COMP 0X90

#0047

2шт.

6

P930-042048

HOSE ASSY-ORFS 0X90

#0048 - #0371

2шт.

6

P910-042040

HOSE ASSY-ORFS 0X0

#0372

2шт.

7

X500-110003

CONNECTOR-ORFS

#0371

2шт.

7

X511-108534

CONNECTOR-LONG,ORFS

#0372

2шт.

8

P010-110002

CONNECTOR

#0047

2шт.

8

X500-110001

CONNECTOR-ORFS

#0048 - #0371

2шт.

8

X511-104514

CONNECTOR-LONG,ORFS

#0372

2шт.

9

P310-060404

TEE-BRANCH TYPE

#0047

1шт.

9

X810-065151

TEE-B/TYPE,ORFS

#0048

1шт.

10

X810-085353

TEE-B/TYPE,ORFS

1шт.

11

P173-120102

FLANGE-HYD,SPLIT

8шт.

12

P173-160104

FLANGE-HYD,SPLIT

8шт.

13

E231-0270

GROMMET

2шт.

14

31E3-31230

GROMMET

2шт.

15

Y171-019004

O-RING

4шт.

16

Y171-024004

O-RING

4шт.

17

S621-014001

O-RING

4шт.

18

S631-011004

O-RING

#0047

3шт.

18

S631-011004

O-RING

#0048

2шт.

19

S631-018004

O-RING

3шт.

20

S017-16060D

BOLT-HEX

60шт.

21

S037-123026

BOLT-W/WASHER

4шт.

22

S109-100306

BOLT-SOCKET

32шт.

23

S441-160006

WASHER-HARDENED

60шт.

24

S552-102370

CLAMP-BAND

6шт.

25

S621-011001

O-RING

#0048

4шт.

26

S631-014004

O-RING

#0048

1шт.

Выбрано товаров: 31