Запчасти Hyundai R180LC7A PAGE 1010 ENGINE MOUNTING СИСТЕМА ДВИГАТЕЛЯ

Схема запчастей Hyundai R180LC7A - PAGE 1010 ENGINE MOUNTING СИСТЕМА ДВИГАТЕЛЯ
FIT
1:1
100%

Артикул

Название

Примечание

Количество

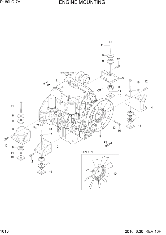
1

11N5-01020

ENGINE ASSY

#0001

1шт.

2

11N3-00020

BRACKET-FRONT

1шт.

3

11N3-00051

BRACKET-REAR

2шт.

4

11N5-03010

BRACKET-ENGINE&COMP

#0104

1шт.

4

11N5-03030

BRACKET-ENGINE&COMP

#0105

1шт.

6

11N4-00060-DA

WASHER-MOUNT

2шт.

7

11N6-08250

RUBBER-MOUNT

FRONT

4шт.

8

11N6-10450

RUBBER-MOUNT

REAR

4шт.

9

11N6-00330

FAN-RING

STD

1шт.

10

S017-101206

BOLT-HEX

4шт.

11

S017-20135D

BOLT-HEX

2шт.

12

S037-123056

BOLT-W/WASHER

16шт.

13

S403-10200B

WASHER-PLAIN

4шт.

14

S441-200006

WASHER-HARDENED

2шт.

15

11N4-00150

NUT-STOPPER

2шт.

16

11N4-00160

NUT-STOPPER

2шт.

17

S441-160006

WASHER-HARDENED

4шт.

18

S017-16130D

BOLT-HEX

2шт.

19

11N5-03020

FAN

OPTION

1шт.

Выбрано товаров: 19