Запчасти Hyundai R180LC7A PAGE 1060 FUEL SYSTEM СИСТЕМА ДВИГАТЕЛЯ

Схема запчастей Hyundai R180LC7A - PAGE 1060 FUEL SYSTEM СИСТЕМА ДВИГАТЕЛЯ
FIT
1:1
100%

Артикул

Название

Примечание

Количество

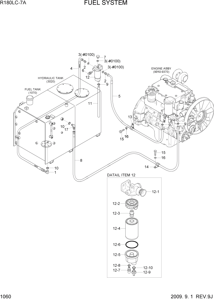
1

P020-110003

ELBOW-90

1шт.

2

11N6-50010

CONNECTOR

#0100

2шт.

2

11Q6-50040

CONNECTOR

#0101

2шт.

3

P391-040000

WASHER-COPPER

#0100

3шт.

4

11N4-50010

HOSE-FUEL

1шт.

5

11N5-53000

HOSE-FUEL

1шт.

6

S035-083026

BOLT-W/WASHER

2шт.

7

P220-220104

PLUG-HEX

#0100

1шт.

7

P220-110102

PLUG-HEX

#0101

1шт.

8

11N5-53010

HOSE-FUEL

1шт.

9

S520-020000

CLAMP-HOSE

3шт.

10

S631-018001

O-RING

2шт.

11

11N1-50020

HOSE ASSY

1шт.

12

11NA-71001

FUEL FILTER ASSY

#0001

1шт.

12-1

11NA-71010

HEAD-FILTER

1шт.

12-2

11NA-71020

HEATER-FUEL

1шт.

12-3

11NA-71030

CONNECTOR

1шт.

12-4

11NA-71041

ELEMENT ASSY

#0001

1шт.

12-5

11NA-71050

BOWL-CLEAR

1шт.

12-6

11NA-71060

O-RING

1шт.

12-7

11NA-71070

SENSOR

1шт.

12-8

11NA-71080

O-RING

1шт.

12-9

11NA-71090

VALVE-SCREW

1шт.

12-1

11NA-71100

O-RING

1шт.

13

S593-000902

CLIP-HARNESS

#0098

1шт.

13

S593-000802

CLIP-HARNESS

#0099

1шт.

14

S543-200002

CLAMP-TUBE

1шт.

15

S017-100156

BOLT-HEX

2шт.

16

S403-10100B

WASHER-PLAIN

2шт.

17

P020-110014

ELBOW-90

1шт.

18

P290-100102

PLUG-CAP

1шт.

Выбрано товаров: 31