Запчасти Hyundai R180LC7A PAGE 9020 VALVE MECHANISM ДВИГАТЕЛЬ БАЗА

Схема запчастей Hyundai R180LC7A - PAGE 9020 VALVE MECHANISM ДВИГАТЕЛЬ БАЗА
FIT
1:1
100%

Артикул

Название

Примечание

Количество

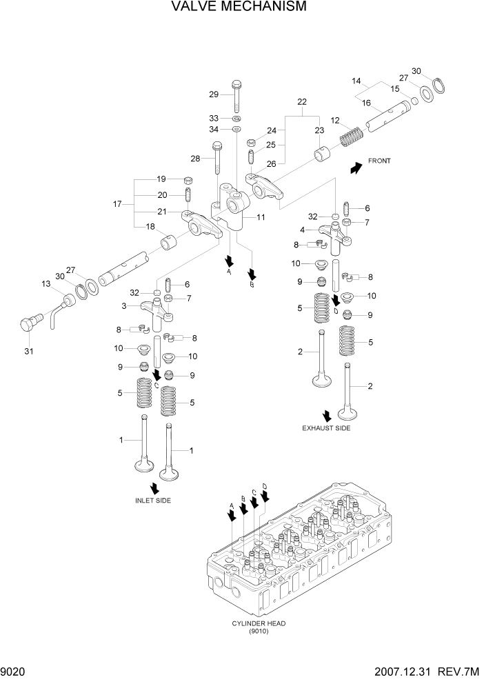
1

XJAF-02248

VALVE-INLET

8шт.

2

XJAF-02249

VALVE-EXHAUST

8шт.

3

XJAF-02250

BRIDGE-INLET

4шт.

4

XJAF-02251

BRIDGE-EXHAUST

4шт.

5

XJAF-02252

SPRING-VALVE

16шт.

6

XJAF-02253

SCRWE-ADJUSTING

8шт.

7

XJAF-02254

NUT-JAM

8шт.

8

XJAF-01946

LOCK-VALVE SPRING

32шт.

9

XJAF-02486

SEAL-VALVE STEM

#0001

16шт.

10

XJAF-02129

RETAINER-VALVE STEM

16шт.

11

XJAF-02501

BRACKER-ROCKER

#0001

4шт.

12

XJAF-02536

SPRING-ROCKER

#0001

3шт.

13

XJAF-02258

PIPE-OIL

1шт.

14

XJAF-02502

SHAFT ASSY-ROCKER

INCL 15,16 #0001

1шт.

15

XJAF-00189

CAP-SEALING

1шт.

16

@

SHAFT-ROCKER

NOT

1шт.

17

XJAF-02541

ARM ASSY-ROCKER INTAKE

INCL 18-21 #0001

4шт.

18

XJAF-02504

BUSHING-ROCKER

#0001

4шт.

19

XJAF-00148

NUT-JAM

4шт.

20

XJAF-00149

SCREW-ADJUSTING

4шт.

21

@

ARM-ROCKER IN

NOT

4шт.

22

XJAF-02542

ARM ASSY-ROCKER EXHAU

INCL 23-26 #0001

4шт.

23

XJAF-02504

BUSHING-ROCKER

#0001

4шт.

24

XJAF-00148

NUT-JAM

4шт.

25

XJAF-00149

SCREW-ADJUSTING

4шт.

26

@

ARM-ROCKER EX

NOT

4шт.

27

XJAF-02264

WASHER-ROCKER SHAFT

2шт.

28

XJAF-02265

BOLT-FLANGE

4шт.

29

XJAF-02506

BOLT

#0001

4шт.

30

XJAF-02267

RING-SNAP

2шт.

31

XJAF-02268

BOLT-EYE

1шт.

32

XJAF-00166

CAP

8шт.

33

XJAF-00255

WASHER-SPRING

#0001

4шт.

34

XJAF-02507

WASHER-HEAD BOLT

#0001

4шт.

35

XJAF-02508

GUIDE-BRIDGE

#0001

8шт.

Выбрано товаров: 35