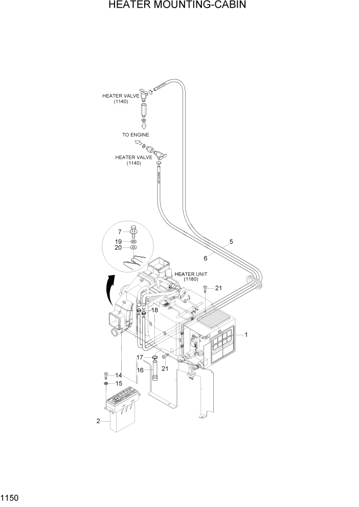
Запчасти Hyundai R180LC7A PAGE 1150 HEATER MOUNTING-CABIN СИСТЕМА ДВИГАТЕЛЯ

Схема запчастей Hyundai R180LC7A - PAGE 1150 HEATER MOUNTING-CABIN СИСТЕМА ДВИГАТЕЛЯ
FIT
1:1
100%

Артикул

Название

Примечание

Количество

1

@

HEATER UNIT

NOT

1шт.

2

11N6-90331

CONTROL ASSY

1шт.

5

11N8-92310

HOSE-HEATER

1шт.

6

11EK-92070

HOSE

1шт.

7

S017-120256

BOLT-HEX

4шт.

14

S179-050206

SCREW-SOCKET RD HD

4шт.

15

S403-05200B

WASHER-PLAIN

4шт.

16

11EK-92090

HOSE-DRAIN

1шт.

17

S520-020000

CLAMP-HOSE

1шт.

18

S572-220006

CLAMP-HOSE WIRE TYPE

2шт.

19

S441-120006

WASHER-HARDENED

4шт.

20

73NB-56400

SHIM

4шт.

21

S151-040126

SCREW-TAPPING

4шт.

Выбрано товаров: 13