Запчасти Hyundai R210-7 PAGE 6110 CONSOLE BOX(2/2, LH) СТРУКТУРА

Схема запчастей Hyundai R210-7 - PAGE 6110 CONSOLE BOX(2/2, LH) СТРУКТУРА
FIT
1:1
100%

Артикул

Название

Примечание

Количество

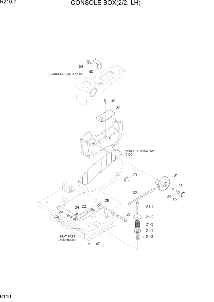
21

71N6-20031

TILT LOCKER ASSY

1шт.

21-1

71N6-21151

SHAFT

1шт.

21-2

71N6-21160

PLATE

1шт.

21-3

71N6-21170

SPRING

1шт.

21-4

71N6-21180

PLATE WA

1шт.

21-5

S207-161006

NUT-HEX

2шт.

22

71N6-20040

SPRING-GAS

1шт.

23

S491-080256

PIN-CLEVIS

1шт.

24

S461-160256

PIN-SPLIT

1шт.

27

71N6-20082

SHAFT

1шт.

28

S601-020004

RING-RETAINING

1шт.

29

S661-360400

CAP-RUBBER

1шт.

30

71N6-20111

PLATE-CABLE

1шт.

31

71N6-20151

COVER-S/LEVER

1шт.

32

71N6-20161

ROD-SAFETY

1шт.

39

71N6-20281

CAP-S/LEVER

1шт.

40

71N6-20351

KNOB-TILT

1шт.

49

S131-061646

SCREW-W/WASHER

4шт.

50

S015-060166

BOLT-HEX

4шт.

51

S403-06500B

WASHER-PLAIN

1шт.

54

S131-040826

SCREW-W/WASHER

2шт.

Выбрано товаров: 0