Запчасти Hyundai R210LC7 PAGE 1010 ENGINE MOUNTING(-#1000) СИСТЕМА ДВИГАТЕЛЯ

Схема запчастей Hyundai R210LC7 - PAGE 1010 ENGINE MOUNTING(-#1000) СИСТЕМА ДВИГАТЕЛЯ
FIT
1:1
100%

Артикул

Название

Примечание

Количество

*

@

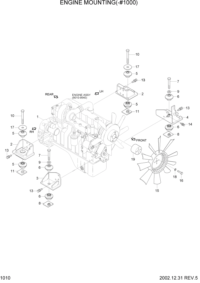
ENGINE MOUNTING

NOT #1000

1шт.

1

11N6-01010

ENGINE ASSY

#0001

1шт.

2

11N6-00041

BRACKET-RR

722461

2шт.

3

11N6-00021

BRACKET-FRONT

722462

1шт.

4

11N6-00200

BRACKET-ENG & COMP

141932

1шт.

5

11N6-13055

RUBBER-MOUNT

119807

4шт.

6

11N6-10450

RUBBER-MOUNT

112564A

4шт.

7

S017-201352

BOLT-HEX

J98J1003

2шт.

8

11N6-00150

NUT-STOPPER

112565F

2шт.

9

S441-200002

WASHER-HARDENED

112566A

2шт.

10

S017-241752

BOLT-HEX

104034B

2шт.

11

11N6-00160

STOPPER-NUT

112567A

2шт.

13

S037-123552

BOLT-W/WASHER

119536 #0001

14шт.

14

S035-124026

BOLT-W/WASHER

119537 #0001

1шт.

15

11E9-04020

FAN-ENGINE

124156A

1шт.

15

11N6-00180

FAN-RING

112569A

1шт.

16

S017-101202

BOLT-HEX

112570B

4шт.

16

S017-101102

BOLT-HEX

L/NOISE

4шт.

17

11N8-00060

WASHER

119884

2шт.

18

S403-102002

WASHER-PLAIN

112571

4шт.

19

SP9022

SPACER-FAN(2.5")

107589

1шт.

19

SP9021

SPACER-FAN(2")

120232

1шт.

Выбрано товаров: 22