Запчасти Hyundai R210LC7 PAGE 1015 ENGINE MOUNTING(#1001-) СИСТЕМА ДВИГАТЕЛЯ

Схема запчастей Hyundai R210LC7 - PAGE 1015 ENGINE MOUNTING(#1001-) СИСТЕМА ДВИГАТЕЛЯ
FIT
1:1
100%

Артикул

Название

Примечание

Количество

*

@

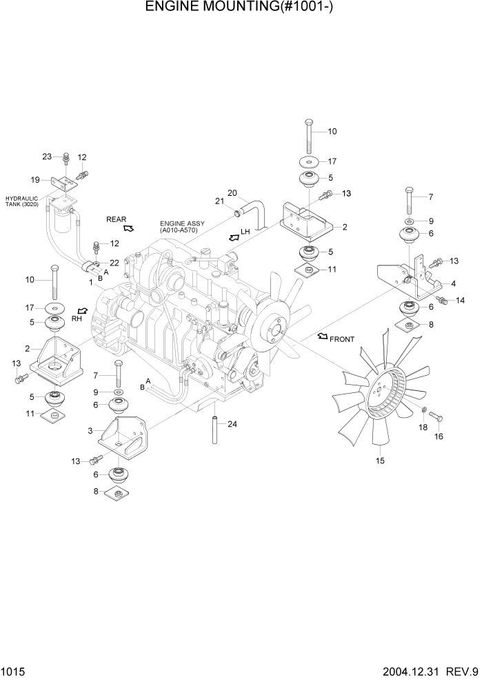
ENGINE MOUNTING

NOT #1001

1шт.

1

11N6-03010

ENGINE ASSY

1шт.

2

11N6-00041

BRACKET-RR

2шт.

3

11N6-00021

BRACKET-FRONT

1шт.

4

11N6-00200

BRACKET-ENG & COMP

1шт.

5

11N6-13055

RUBBER-MOUNT

4шт.

6

11N6-10450

RUBBER-MOUNT,RR

4шт.

7

S017-201352

BOLT-HEX

2шт.

8

11N6-00150

NUT-STOPPER

2шт.

9

S441-200002

WASHER-HARDENED

2шт.

10

S017-241752

BOLT-HEX

2шт.

11

11N6-00160

STOPPER-NUT

2шт.

12

S037-102522

BOLT-W/WASHER

#1021

2шт.

12

S037-102522

BOLT-W/WASHER

#1022

3шт.

13

S037-123552

BOLT-W/WASHER

14шт.

14

S035-124026

BOLT-W/WASHER

1шт.

15

11N6-00230

FAN

STD #3200

1шт.

15

11N6-00231

FAN

STD #3201

1шт.

15

11N6-00180

FAN-RING

L/NOISE #2805

1шт.

15

11N6-00181

FAN-RING

L/NOISE #2806

1шт.

16

S017-101102

BOLT-HEX

#1021

4шт.

16

S017-101052

BOLT-HEX

#1022

4шт.

17

11N8-00060

WASHER

2шт.

18

S403-102002

WASHER-PLAIN

4шт.

19

11N6-03021

BRACKET

#1021

1шт.

19

11N6-03022

BRACKET

#1022 - #1200

1шт.

19

11N7-00020

BRACKET-OIL FILTER

#1201

1шт.

20

11E9-02090

HOSE-BREATHER

1шт.

21

S520-027000

CLAMP-HOSE

1шт.

22

31E7-0310

CLAMP-HOSE

#1022

1шт.

23

S035-082522

BOLT-W/WASHER

#1201

1шт.

24

11N7-00040

HOSE-ENG OIL DRAIN

#2061

1шт.

Выбрано товаров: 32