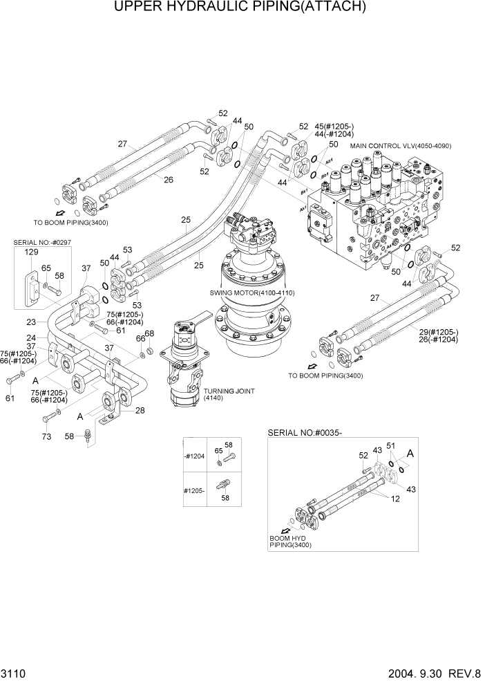
Запчасти Hyundai R210LC7 PAGE 3110 UPPER HYDRAULIC PIPING(ATTACH) ГИДРАВЛИЧЕСКАЯ СИСТЕМА

Схема запчастей Hyundai R210LC7 - PAGE 3110 UPPER HYDRAULIC PIPING(ATTACH) ГИДРАВЛИЧЕСКАЯ СИСТЕМА
FIT
1:1
100%

Артикул

Название

Примечание

Количество

12

P683-127316

HOSE ASSY-FLG

#0035

4шт.

23

31N6-13011

PIPE ASSY

1шт.

24

31N6-13021

PIPE ASSY

1шт.

25

31N6-13030

HOSE ASSY-0X90

2шт.

26

31N6-13051

HOSE ASSY-0X90

#1204

2шт.

26

31N6-13051

HOSE ASSY-0X90

#1205

1шт.

27

31N6-13061

HOSE ASSY-0X90

2шт.

28

31N6-13070

BRACKET-BOOM

1шт.

29

31N6-15080

HOSE ASSY

#1205

1шт.

37

31EM-12170

CLAMP-PIPE

3шт.

43

P173-120102

FLANGE-SPLIT

SEE 3400 #0035

8шт.

44

P173-160104

FLANGE-SPLIT

#1204

16шт.

44

P173-160104

FLANGE-SPLIT

#1205

15шт.

45

31E9-01320

FLANGE-SPLIT

#1205

1шт.

50

Y171-024004

O-RING

8шт.

51

Y171-019004

O-RING

SEE 3400 #0035

4шт.

52

S109-100306

BOLT-SOCKET

#0034

24шт.

52

S109-100306

BOLT-SOCKET

SEE 3400 #0035

40шт.

53

S109-100406

BOLT-SOCKET

#1204

8шт.

53

S109-100456

BOLT-SOCKET

#1205

8шт.

58

S017-120302

BOLT-HEX

#0297

4шт.

58

S017-120302

BOLT-HEX

#0298 - #1204

2шт.

58

S037-123022

BOLT-W/WASHER

#1205

2шт.

61

S017-100752

BOLT-HEX

2шт.

65

S403-121002

WASHER-PLAIN

#0297

4шт.

65

S403-121002

WASHER-PLAIN

#0298

2шт.

66

S403-101002

WASHER-PLAIN

#1204

5шт.

66

S403-101002

WASHER-PLAIN

#1205

2шт.

68

S207-101006

NUT-HEX

2шт.

73

S017-100852

BOLT-HEX

1шт.

75

S411-100002

WASHER-SPRING

#1205

3шт.

129

31N6-13080

BRACKET-PIPE

#0297

1шт.

Выбрано товаров: 32