Запчасти Hyundai R290LC7A PAGE 4060 MAIN CONTROL VALVE(2/5) ГИДРАВЛИЧЕСКИЕ КОМПОНЕНТЫ

Схема запчастей Hyundai R290LC7A - PAGE 4060 MAIN CONTROL VALVE(2/5) ГИДРАВЛИЧЕСКИЕ КОМПОНЕНТЫ
FIT
1:1
100%

Артикул

Название

Примечание

Количество

*

@

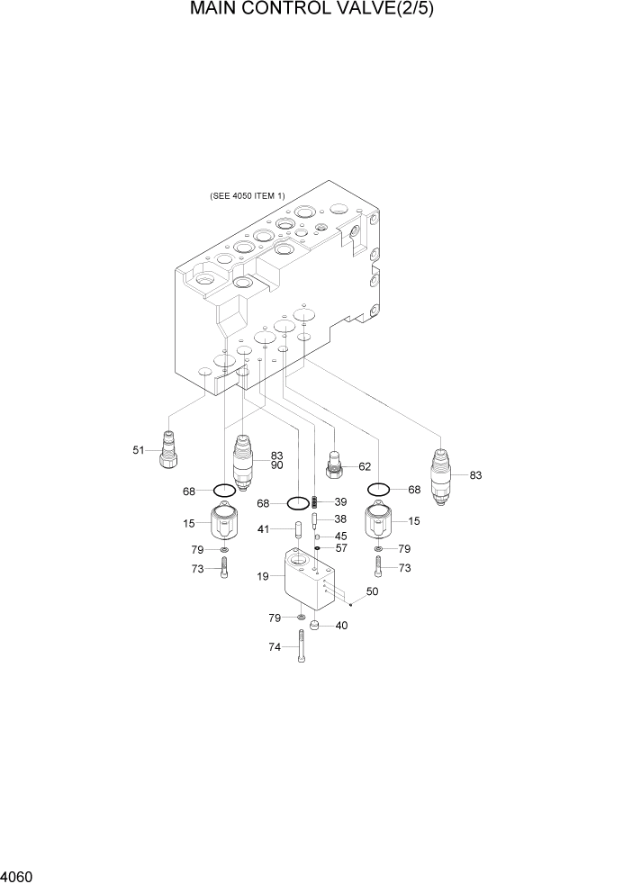
MAIN CONTROL VALVE

NOT

1шт.

15

XKBF-00378

COVER

4шт.

19

XKBF-00382

BLOCK-REGEN

1шт.

38

XKBF-00394

SPOOL

1шт.

39

XKBF-00395

SPRING

1шт.

40

XKBF-00396

STOPPER

1шт.

41

XKBF-00397

PISTON

1шт.

45

XKBF-00399

ORIFICE-SIGNAL

1шт.

50

XKBF-00069

PLUG-SOCKET HEAD

3шт.

51

XKBF-00404

NEGATIVE CONTROL VLV

1шт.

57

XKBF-00408

O-RING

1шт.

62

XKBF-00097

PLUG-RELIEF VALVE

1шт.

68

XKBF-00416

O-RING

5шт.

73

XKBF-00419

BOLT-SOCKET HEAD

7шт.

74

XKBF-00420

BOLT-SOCKET HEAD

3шт.

79

XKBF-00425

WASHER

10шт.

83

XKBF-00428

RELIEF VALVE-OVERLOAD

2шт.

90

XKBF-00491

RELIEF VALVE-OVERLOAD

LONG REACH ONLY

1шт.

Выбрано товаров: 18