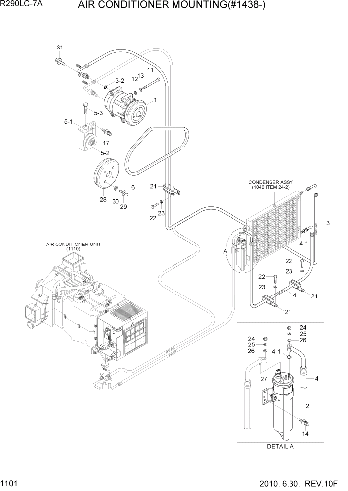
Запчасти Hyundai R290LC7A PAGE 1101 AIR CONDITIONER MOUNTING(#1438-) СИСТЕМА ДВИГАТЕЛЯ

Схема запчастей Hyundai R290LC7A - PAGE 1101 AIR CONDITIONER MOUNTING(#1438-) СИСТЕМА ДВИГАТЕЛЯ
FIT
1:1
100%

Артикул

Название

Примечание

Количество

1

11N6-91040

COMPRSSOR ASSY

1шт.

2

11N6-90060

DRIER-RECEIVER

1шт.

3

11N6-91110

DIS HOSE ASSY

1шт.

4

11N6-93020

HOSE(A)-LIQUID

1шт.

4-1

A305000209-2

O-RING

2шт.

5

11N6-90110

PULLEY-IDLE

1шт.

5-1

A4760-508-00-2

BRACKET-PULLEY

1шт.

5-2

A4700-511-01-2

PULLEY-IDLE

1шт.

5-3

A8900-518-03-3

BOLT-TENSION

1шт.

6

11N6-91130

V-BELT

1шт.

11

S109-080856

BOLT-SOCKET

3шт.

12

S403-08200B

WASHER-PLAIN

4шт.

13

S411-080006

WASHER-SPRING

4шт.

14

S035-061526

BOLT-W/WASHER

2шт.

16

S035-083526

BOLT-W/WASHER

2шт.

17

S037-102026

BOLT-W/WASHER

3шт.

21

S543-400002

CLAMP-TUBE

4шт.

22

S017-100156

BOLT-HEX

4шт.

23

S403-10200B

WASHER-PLAIN

4шт.

24

S205-06100B

NUT-HEX

2шт.

25

S411-060006

WASHER-SPRING

2шт.

26

S403-06200B

WASHER-PLAIN

2шт.

27

11N6-90120

BRACKET-R/DRIER

1шт.

28

11N8-97101

PULLEY-AIR CON

1шт.

29

S088-070166

BOLT-HEX,UNIFIED

4шт.

30

S441-10000B

WASHER-HARDENED

4шт.

31

S038-103556

BOLT-W/WASHER

1шт.

Выбрано товаров: 27