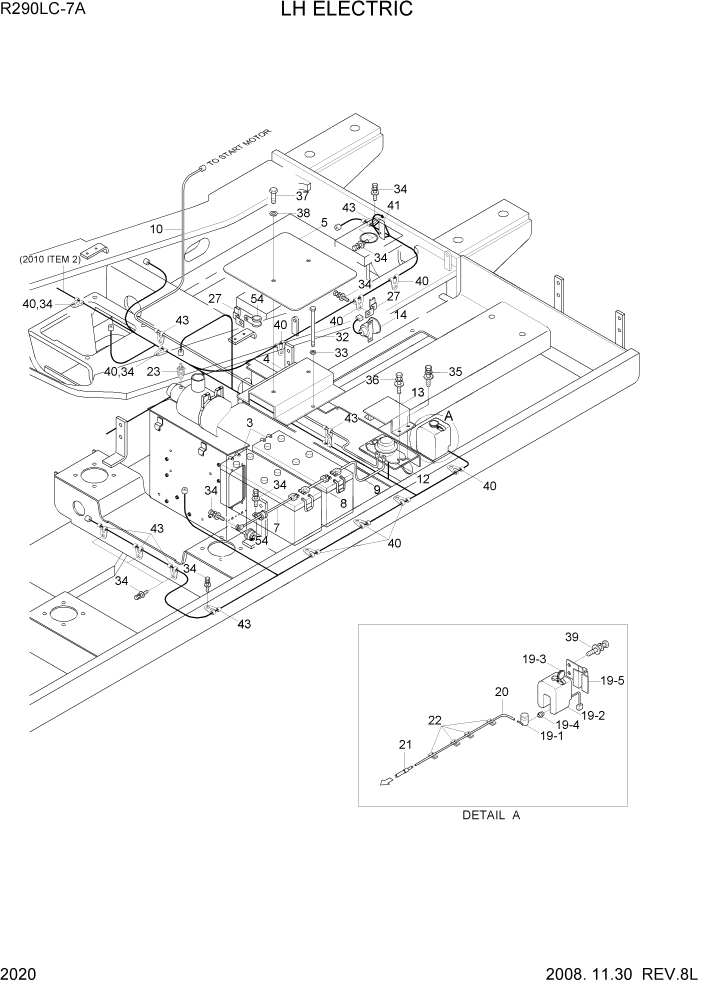
Запчасти Hyundai R290LC7A PAGE 2020 LH ELECTRIC ЭЛЕКТРИЧЕСКАЯ СИСТЕМА

Схема запчастей Hyundai R290LC7A - PAGE 2020 LH ELECTRIC ЭЛЕКТРИЧЕСКАЯ СИСТЕМА
FIT
1:1
100%

Артикул

Название

Примечание

Количество

3

E125-1501

BATTERY

2шт.

4

21N8-42060

BRACKET-BATTERY

1шт.

5

21N8-42040

COVER-BATTERY

1шт.

7

24L3-01120

CABLE(BATT-EARTH)

1шт.

8

21EN-10120

CABLE(BATT-BATT)

1шт.

9

21N8-10400

CABLE(BATT-BATT RY)

1шт.

10

21N8-42030

CABLE(BATTRY-STARTER)

1шт.

12

21E5-0003

RELAY-BATTERY

1шт.

13

21N8-40090

COVER

1шт.

14

21N6-20322

BUZZER-TRAVEL ALARM

1шт.

19

21EG-30630

WASHER TANK ASSY

1шт.

19-1

21EG-10130

PUMP-MOTOR

1шт.

19-2

21EG-10140

TANK

1шт.

19-3

24L3-30660

CAP

1шт.

19-4

24L3-30670

RUBBER-BUSHING

1шт.

19-5

24L3-30710

PLATE

1шт.

20

21EM-30581

HOSE-RUBBER

1шт.

21

21EM-30570

CONNECTOR-TUBE

1шт.

22

21EM-30630

CLAMP-QUICK

5шт.

23

21L7-20100

SWITCH-AIR CLEANER

1шт.

27

25D1-10640

CLIP ASSY

2шт.

32

S017-102306

BOLT-HEX

2шт.

33

S403-102002

WASHER-PLAIN

2шт.

34

S037-102022

BOLT-W/WASHER

21шт.

35

S035-082022

BOLT-W/WASHER

4шт.

36

S035-082522

BOLT-W/WASHER

2шт.

37

S017-100202

BOLT-HEX

1шт.

38

21EN-30560

WASHER-PLAIN

1шт.

39

S035-061522

BOLT-W/WASHER

2шт.

40

S593-000902

CLIP-HARNESS

#1254

11шт.

40

S593-000802

CLIP-HARNESS

#1255

11шт.

41

21N8-21090

PLATE-CONNECTOR

1шт.

43

21E9-00170

CLIP-HARNESS

12шт.

54

S543-280002

CLAMP-TUBE

2шт.

Выбрано товаров: 34