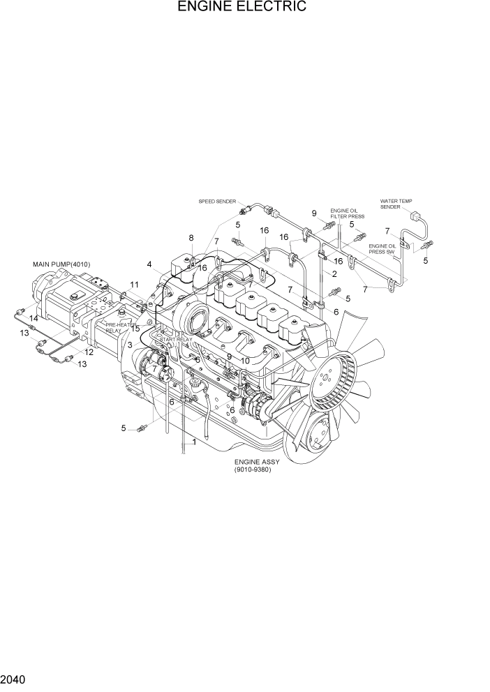
Запчасти Hyundai R290LC7H PAGE 2040 ENGINE ELECTRIC ЭЛЕКТРИЧЕСКАЯ СИСТЕМА

Схема запчастей Hyundai R290LC7H - PAGE 2040 ENGINE ELECTRIC ЭЛЕКТРИЧЕСКАЯ СИСТЕМА
FIT
1:1
100%

Артикул

Название

Примечание

Количество

1

21N8-11021

HARNESS-ENG,FR

1шт.

2

21N8-11031

HARNESS-ENG,RR

1шт.

3

21N8-52170

CABLE

1шт.

4

21N8-21100

CABLE(HEAT RY-A/HEATER)

1шт.

5

S037-102022

BOLT-W/WASHER

16шт.

6

S543-120002

CLAMP-TUBE

4шт.

7

S593-000902

CLIP-HARNESS

16шт.

8

S593-001702

CLIP-HARNESS

2шт.

9

S035-061622

BOLT-W/WASHER

2шт.

10

S541-120002

CLAMP-TUBE

1шт.

11

S552-050203

TIE-CABLE

6шт.

12

21N8-10071

HARNESS-PUMP

OPTION

1шт.

13

21EG-32200

SENDER-PRESSURE

OPTION

2шт.

14

21EG-32210

SENDER-PRESSURE

OPTION

1шт.

15

S203-061002

NUT-HEX

2шт.

16

S543-060002

CLAMP-TUBE

6шт.

Выбрано товаров: 16