Запчасти Hyundai R300LC7 PAGE 1010 ENGINE MOUNTING СИСТЕМА ДВИГАТЕЛЯ

Схема запчастей Hyundai R300LC7 - PAGE 1010 ENGINE MOUNTING СИСТЕМА ДВИГАТЕЛЯ
FIT
1:1
100%

Артикул

Название

Примечание

Количество

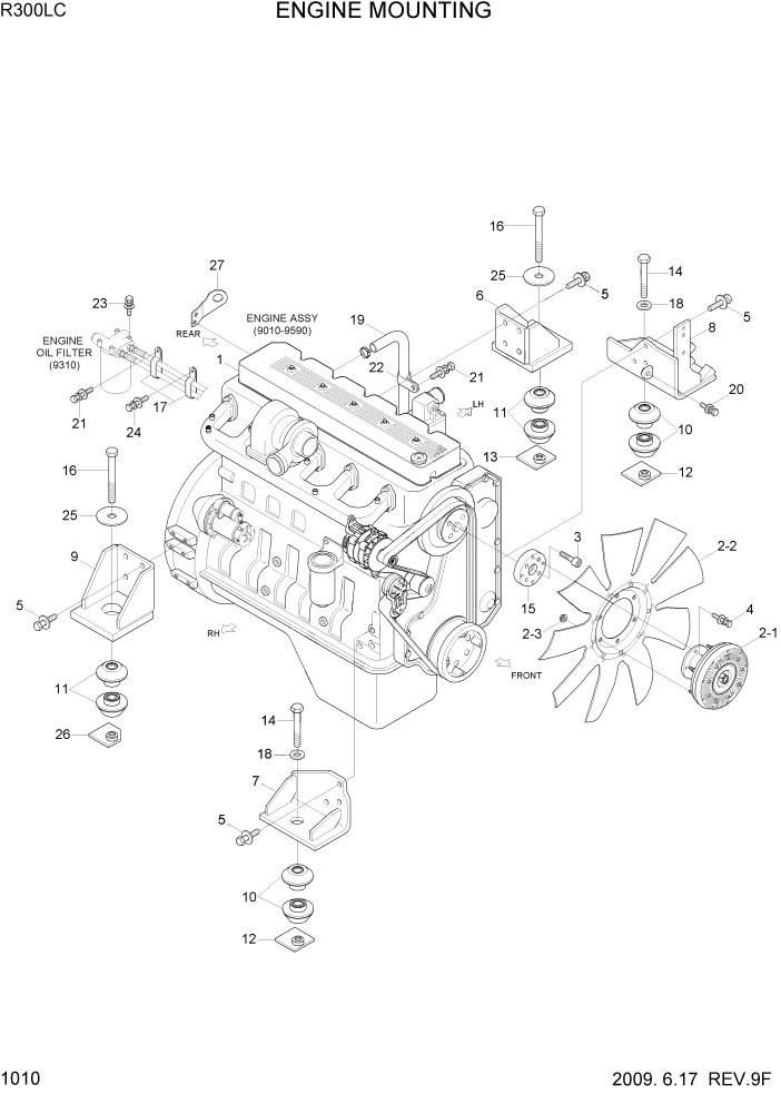
1

11N8-04010

ENGINE ASSY

#1511

1шт.

1

11N8-04011

ENGINE ASSY

#1512

1шт.

2

11N8-02140

BRACKET-RH

1шт.

3

11EH-00032

BRACKET-LH,RR

1шт.

4

11E9-00030

BRACKET-RH,FR

1шт.

5

11E9-00040

BRACKET-LH,FR

1шт.

6

S037-123056

BOLT-W/WASHER

8шт.

7

11EH-00050

RESILIENT

2шт.

8

11EK-10070

RESILIENT

2шт.

9

11N8-02110

STOPPER-NUT

4шт.

10

S017-22135D

BOLT-HEX

4шт.

11

S441-220006

WASHER-HARDENED

4шт.

12

S017-140506

BOLT-HEX

4шт.

13

S017-140356

BOLT-HEX

4шт.

14

S403-142006

WASHER-PLAIN

8шт.

15

11N8-02150

HOSE-BREATHER

1шт.

16

S520-027000

CLAMP-HOSE

1шт.

17

11N8-46190

FAN

#1511

1шт.

17

11Q6-00350

FAN CLUTCH ASSY

FAN CLUTCH #1512

1шт.

17-1

11Q6-00240

FAN CLUTCH

FAN CLUTCH #1512

1шт.

17-2

11Q6-01280

FAN-COOLING

FAN CLUTCH #1512

1шт.

17-3

S285-081006

NUT-FLANGED

FAN CLUTCH #1215

6шт.

18

S037-102556

BOLT-W/WASHER

#1511

4шт.

18

S037-103026

BOLT-W/WASHER

#1512

4шт.

20

11N4-00210

DRAIN VALVE-ENGINE OIL

1шт.

Выбрано товаров: 25