Запчасти Hyundai R300LC7 PAGE 1030 AIR INTAKE SYSTEM СИСТЕМА ДВИГАТЕЛЯ

Схема запчастей Hyundai R300LC7 - PAGE 1030 AIR INTAKE SYSTEM СИСТЕМА ДВИГАТЕЛЯ
FIT
1:1
100%

Артикул

Название

Примечание

Количество

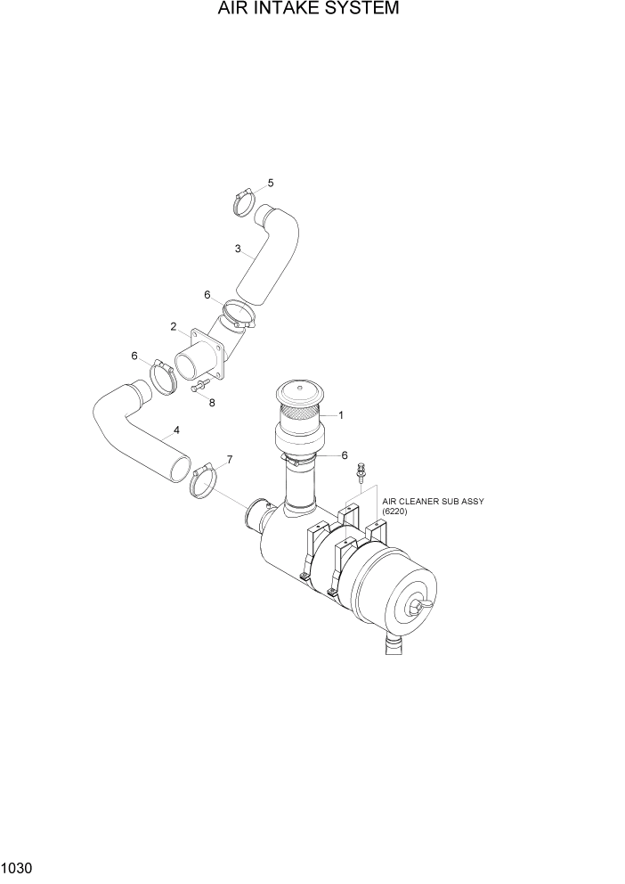
1

11N8-20181

PRECLEANER

1шт.

2

11N8-26000

BRACKET-PIPE

1шт.

3

11N8-26010

HOSE

1шт.

4

11N8-22350

HOSE

1шт.

5

11LB-40210

CLAMP-HOSE

1шт.

6

11LB-40320

CLAMP-HOSE

3шт.

7

11LB-40190

CLAMP-HOSE

1шт.

8

S037-122556

BOLT-W/WASHER

4шт.

Выбрано товаров: 8