Запчасти Hyundai R300LC7 PAGE 9270 FUEL INJECTION PIPE ДВИГАТЕЛЬ БАЗА

Схема запчастей Hyundai R300LC7 - PAGE 9270 FUEL INJECTION PIPE ДВИГАТЕЛЬ БАЗА
FIT
1:1
100%

Артикул

Название

Примечание

Количество

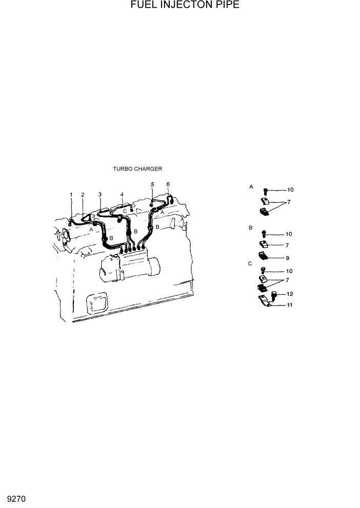
1

31410-8302

PIPE-INJECTION 1

1шт.

2

31420-8302

PIPE-INJECTION 2

1шт.

3

31430-8302

PIPE-INJECTION 3

1шт.

4

31440-8302

PIPE-INJECTION 4

1шт.

5

31450-8302

PIPE-INJECTION 5

1шт.

6

31460-8302

PIPE-INJECTION 6

1шт.

7

26841-72

CLAMP

9шт.

9

31425-836

CLAMP

3шт.

10

11230-06251

BOLT-W/WASHER

6шт.

11

91294-724

STAY

1шт.

12

11231-10201

BOLT-W/WASHER

1шт.

Выбрано товаров: 11