Запчасти Hyundai R300LC7 PAGE 9360 ALTERNATOR MOUNTING ДВИГАТЕЛЬ БАЗА

Схема запчастей Hyundai R300LC7 - PAGE 9360 ALTERNATOR MOUNTING ДВИГАТЕЛЬ БАЗА
FIT
1:1
100%

Артикул

Название

Примечание

Количество

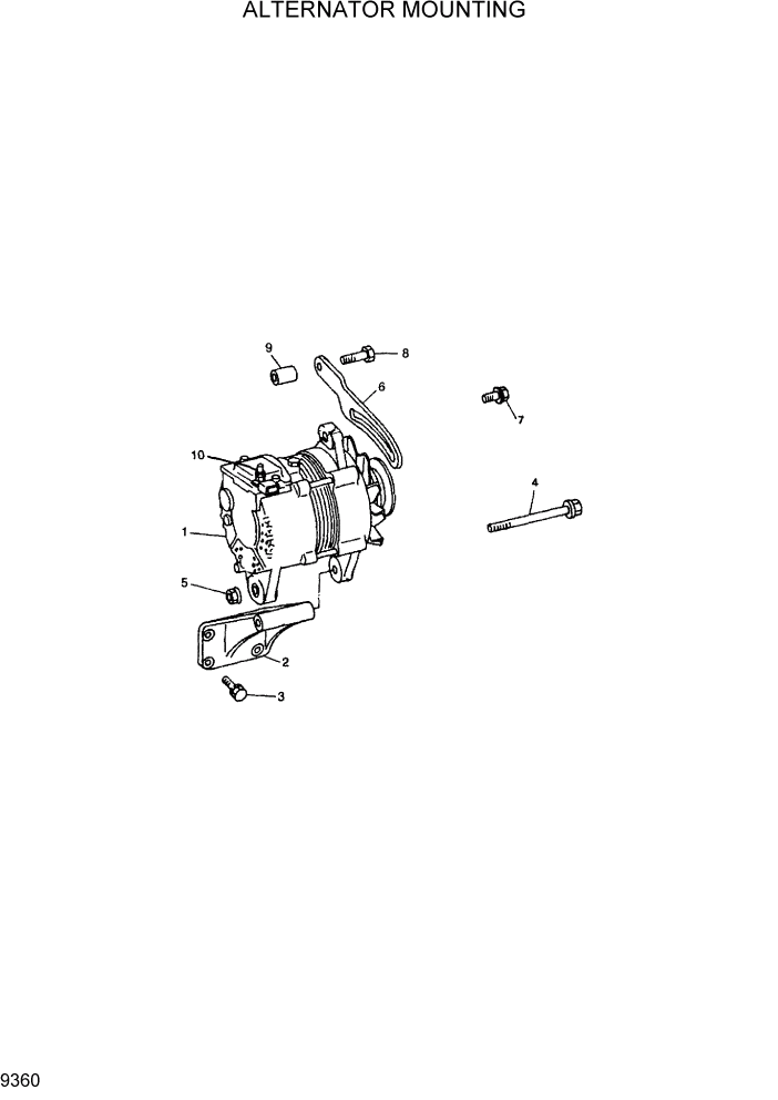
1

37300-93C00

ALTERNATOR ASSY

1шт.

2

37471-83C00

BRACKET-ALTERNATOR

1шт.

3

11961-10251

BOLT-W/WASHER

4шт.

4

37451-72

BOLT

1шт.

5

13385-12001

NUT-FLANGE

1шт.

6

37461-83C00

PLATE-ADJUSTING

1шт.

7

37452-72001

BOLT

1шт.

8

11961-10451

BOLT

1шт.

9

37465-415

SPACER

2шт.

10

13385-05001

NUT

1шт.

Выбрано товаров: 10