Запчасти Hyundai R300LC7 PAGE 2040 ENGINE ELECTRIC ЭЛЕКТРИЧЕСКАЯ СИСТЕМА

Схема запчастей Hyundai R300LC7 - PAGE 2040 ENGINE ELECTRIC ЭЛЕКТРИЧЕСКАЯ СИСТЕМА
FIT
1:1
100%

Артикул

Название

Примечание

Количество

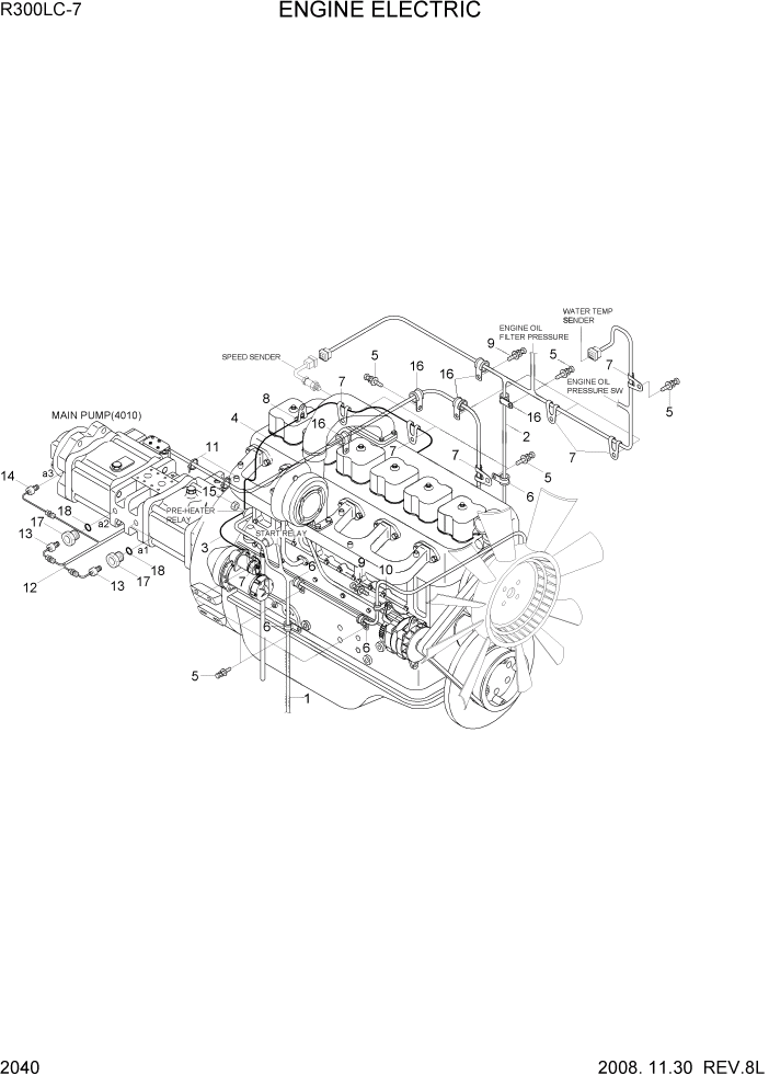
1

21N8-40120

HARNESS-ENG,FRONT

1шт.

2

21N8-40130

HARNESS-ENG.REAR

1шт.

3

21N8-52170

CABLE

1шт.

4

21N8-21100

CABLE(HEAT RY-A/HEATER)

1шт.

5

S037-102026

BOLT-W/WASHER

16шт.

6

S543-120002

CLAMP-TUBE

4шт.

7

S593-000902

CLIP-HARNESS

#1519

16шт.

7

S593-000802

CLIP-HARNESS

#1520

16шт.

8

S593-001702

CLIP-HARNESS

2шт.

9

S035-061526

BOLT-W/WASHER

2шт.

10

S541-120002

CLAMP-TUBE

1шт.

11

S552-050203

CLAMP-BAND

6шт.

12

21N8-11170

HARNESS-PUMP PS

OPTION

1шт.

13

21EG-32200

SENDER-PRESSURE

P1,P2 PRESS,OPT

2шт.

14

21EG-32210

SENDER-PRESSURE

P3,PRESS, OPT

1шт.

15

S205-06100B

NUT-HEX

2шт.

16

S543-060002

CLAMP-TUBE

6шт.

17

31E9-22120

CONNECTOR

OPTION

2шт.

18

S631-011004

O-RING

OPTION

2шт.

Выбрано товаров: 19