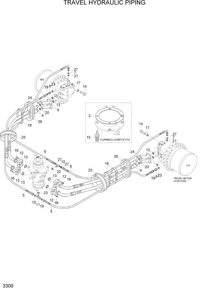
Запчасти Hyundai R300LC7 PAGE 3300 TRAVEL HYDRAULIC PIPING ГИДРАВЛИЧЕСКАЯ СИСТЕМА

Схема запчастей Hyundai R300LC7 - PAGE 3300 TRAVEL HYDRAULIC PIPING ГИДРАВЛИЧЕСКАЯ СИСТЕМА
FIT
1:1
100%

Артикул

Название

Примечание

Количество

3

31N1-40970

GASKET

1шт.

4

P950-167344FL

HOSE ASSY-ORFS,FLG 0X45

4шт.

5

P930-082052

HOSE ASSY-ORFS 0X90

2шт.

6

X410-042058

HOSE ASSY-ORFS 0X45

2шт.

7

X511-104513

CONNECTOR-LONG,ORFS

2шт.

8

31N8-40190

CONNECTOR-LONG,ORFS

2шт.

9

32E9-00801

FLANGE WA

4шт.

10

X810-065151

TEE-B/TYPE,ORFS

1шт.

11

X810-085353

TEE-B/TYPE,ORFS

1шт.

12

P173-160104

FLANGE-HYD,SPLIT

8шт.

13

Y171-024004

O-RING

8шт.

14

S017-24065D

BOLT-HEX

36шт.

15

S037-123526

BOLT-W/WASHER

4шт.

16

S109-100306

BOLT-SOCKET

16шт.

17

S441-240002

WASHER-HARDENED

36шт.

18

S551-050203

CLAMP-BAND

5шт.

19

S621-014001

O-RING(SEAL LOCK TYPE)

4шт.

20

S621-021001

O-RING

4шт.

21

S631-011004

O-RING

2шт.

22

S631-014004

O-RING

1шт.

23

S631-018004

O-RING

3шт.

24

S109-120356

BOLT-SOCKET

16шт.

25

S760-102200

GROMMET

2шт.

26

S760-151224

GROMMET

2шт.

27

S621-011001

O-RING

4шт.

Выбрано товаров: 25