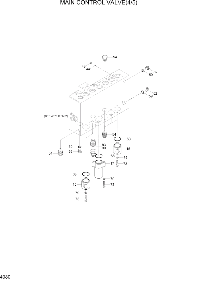
Запчасти Hyundai R300LC7 PAGE 4080 MAIN CONTROL VALVE(4/5) ГИДРАВЛИЧЕСКИЕ КОМПОНЕНТЫ

Схема запчастей Hyundai R300LC7 - PAGE 4080 MAIN CONTROL VALVE(4/5) ГИДРАВЛИЧЕСКИЕ КОМПОНЕНТЫ
FIT
1:1
100%

Артикул

Название

Примечание

Количество

*

@

MAIN CONTROL VALVE

NOT

1шт.

15

XKBF-00378

COVER

5шт.

17

XKBF-00380

COVER B2-PILOT

1шт.

43

XKBF-00055

RESTRICTOR

1шт.

44

XKBF-00056

FILTER-COIN TYPE

1шт.

52

XKBF-00058

PLUG

3шт.

54

XKBF-00405

PLUG-COMP

3шт.

59

XKBF-00410

O-RING

3шт.

68

XKBF-00416

O-RING

6шт.

73

XKBF-00419

BOLT-SOCKET HEAD

6шт.

79

XKBF-00425

WASHER

6шт.

83

XKBF-00428

RELIEF VALVE-OVERLOAD

1шт.

90

XKBF-00491

RELIEF VALVE-OVERLOAD

10.2M BOOM

1шт.

Выбрано товаров: 13