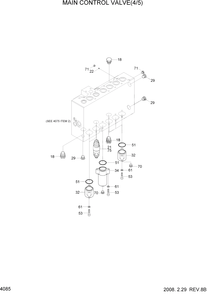
Запчасти Hyundai R300LC7 PAGE 4085 MAIN CONTROL VALVE(4/5) ГИДРАВЛИЧЕСКИЕ КОМПОНЕНТЫ

Схема запчастей Hyundai R300LC7 - PAGE 4085 MAIN CONTROL VALVE(4/5) ГИДРАВЛИЧЕСКИЕ КОМПОНЕНТЫ
FIT
1:1
100%

Артикул

Название

Примечание

Количество

*

@

MAIN CONTROL VALVE

NOT #1112

1шт.

18

31N8-17380

PLUG-OVERLOAD

3шт.

21

31N8-17430

OVERLOAD RELIEF VALVE

1шт.

22

31N8-17440

ORIFICE-SIGNAL

1шт.

29

31N8-17550

PLUG KIT(PF3/8)

1шт.

32

31N8-18130

COVER A-PILOT

4шт.

34

31N8-18150

COVER B2-PILOT

1шт.

51

31N8-19630

O-RING

6шт.

53

S107-080454

BOLT-SOCKET

12шт.

N61

S411-080006

WASHER-SPRING

NOT

12шт.

N70

31N8-19450

CAP-DUST

NOT

5шт.

N71

31N8-19460

CAP-DUST

NOT

2шт.

75

31N8-19470

OVERLOAD RELIEF VALVE

10.2M BOOM

1шт.

N

@

NOT INDIVIDUALLY SUPPLIED

NOT

ARшт.

Выбрано товаров: 14